Ein Artikel über die Grundlagen der Transistorverstärker - Vorkenntnisse sind erforderlich. (Wissensstand von 1983 !!)
überarbeitet von Gert Redlich in 2015 - Für den angehenden oder versierten Fachmann ist es einfach, für den technischen Laien ist es sehr kompliziert. In diesem Artikel werden einige grundlegende Eigenschaften von Transistoren auf dem Wissenstand von 1983 erläutert und die damals möglichen Lösungen angesprochen. Da die in diesem Artikel enthaltenen Grafiken und Bilder sehr anschaulich sind, werden viele Absätze wiedergegeben und kommentiert.
Wenn es Ihnen zu kompliziert und zu technisch ist, Sie müssen es nicht verstehen, um Musik zu hören. Es dient dem Verständnis, welchen Aufwand man treiben mußte und auch heute noch treiben muß, um in die höchsten Qualitätsklassen der Hifi-Kraftverstärker vorzudringen.
.
Der Transistor NF-Leistungs-Verstärker
Eine Einführung in die Schaltungstechnik :
Viele Hobby-Elektroniker haben den ersten Schritt auf dieses moderne und faszinierende Gebiet getan, weil sie einmal selbst einen NF-Verstärker bauen wollten. Zwar möchte man jedem Neuling raten, es zunächst mit einem Kopfhörerverstärker zu versuchen, aber da zieht meist kein Argument, es soll und muß ein richtiger Verstärker mit viel Power sein.
„Dem Manne kann geholfen werden", nämlich mit einem Verstärkerentwurf, der ein nachbausicheres Konzept hat, sowohl hinsichtlich der Elektronik als auch in Bezug auf die „Bauausführung". Ein solcher Entwurf ist für die praktische Betätigung des Newcomers noch am ehesten geeignet.
Schwieriger ist das Verstehen der Funktionsweise, denn auch der einfachste NF-Leistungsverstärker ist schon reichlich komplex, weil beim Entwurf zahlreiche mehr oder weniger große Probleme auftauchen, deren Lösungen sich in der fertigen Schaltung als zusätzliche Bauelemente oder als besondere Schaltungstricks äußern.
In diesem Grundlagenbeitrag werden Schritt für Schritt die Gedankengänge nachvollzogen, die zu den heutigen NF-Leistungsverstärkern geführt haben. Auf diese Weise begegnet man den Problemen und ihren bewährten Lösungen automatisch.
Auf Formeln wird bewußt verzichtet, stattdessen nehmen die Ausführungen über Sinn und Zweck der schaltungstechnischen Maßnahmen einen breiteren Raum ein. Sie sind umfassend und im Zusammenhang einer vergleichsweise einfachen und durchsichtigen Verstärkerschaltung dargestellt.
Wer diesen Beitrag „durchgearbeitet" hat, kann in anderen Verstärkerschaltungen sehr schnell das Besondere vom Allgemeinen trennen und sich dort dann mit spezielleren Dingen auseinandersetzen.
(1) Die Endstufe mit einem Transistor
.
- Anmerkung: Das ist eine rein theoretische Betrachtung, ich habe solch eine Endstufe nie gesehen.
.
NF-Endverstärker lassen sich auf verschiedene Arten aufbauen. Bild 1a zeigt eine mögliche, jedoch fast rein theoretische Ausführung. Die Schaltung dieser Endstufe ist besonders simpel, damit sind aber auch erhebliche Nachteile verbunden.
Der Transistor T1 soll einen möglichst großen Strom durch den Lautsprecher LS1 treiben, damit eine hohe Ausgangsleistung erzielt wird. Betrachtet man den Lautsprecher als Widerstand, dann muß die Signalspannung über seinen Anschlüssen einen möglichst hohen Betrag haben.
.
Dazu ist es zunächst erforderlich, die Ausgangsspannung im Ruhezustand, wenn der Verstärker nicht angesteuert wird, auf den halben Betrag der Speisespannung einzustellen. Die mittlere gestrichelte Linie in der Grafik Bild 1a liegt auf diesem Wert 1/2 Ub und hat eine angedeutete „Verbindung" mit dem Schaltungsausgang.
Ein Wechselspannungssignal am Eingang der Stufe kann nun im Rahmen der insgesamt zur Verfügung stehenden Speisespannung +Ub optimal verstärkt werden, d.h. die positive und die negative Halbwelle werden oben bei +Ub und unten bei Null Volt (Masse) gleichzeitig begrenzt, wenn man die Stufe voll aussteuert.
.
Was bei falscher Gleichspannungseinstellung der Verstärker-Stufe passiert, zeigen anschaulich die Grafiken in den drei Bildern rechts.
Im ersten Bild ist die Gleichspannung des Verstärkerausgangs zu hoch eingestellt. Das verstärkte Wechselspannungssignal erreicht viel zu früh seine maximale Amplitude, weil „oben" bereits Begrenzung eintritt.
Zwar kann man die Eingangsspannung noch größer machen, jedoch nimmt dann nur noch die Amplitude der negativen Halbwelle zu, bei der positiven Halbwelle entsteht ein zunehmend breites „Flachdach". Wenn dieser Fall eintritt, ist das Signal bereits so stark verzerrt, daß man dem Lautsprecher nicht mehr zuhören möchte.
Ähnlich ist die Situation zweiten Bild bei zu niedrig eingestellter Ausgangsgleichspannung. Hier fährt die negative Halbwelle des Nutzsignals frühzeitig in die Begrenzung, das Ergebnis ist wiederum, gemessen an der zur Verfügung stehenden Speisespannung, eine zu geringe Ausgangsleistung.
So geht es also nicht:
Ohne eine bestimmte Gleichspannung am Schaltungsausgang, an dem der Lautsprecher angeschlossen ist, geht es also nicht. Daraus ergibt sich der größte Nachteil dieser Verstärkeridee: Die Schwingspule im Lautsprecher hat einen sehr niedrigen Gleichstromwiderstand, so daß die Gleichspannung 1/2 Ub (drittes Bild rechts) einen kräftigen (Gleich-) Strom bereits im Ruhezustand, wenn noch gar kein zu verstärkendes Signal vorhanden ist, durch den Lautsprecher treibt.
Je nach Polung der Lautsprecherklemmen ist die Spule mit voller Kraft nach innen in den Magnetkern gezogen, oder sie wird nach außen gedrückt, jedenfalls befindet sie sich nicht in ihrer mechanischen Nullstellung. Bei Steuerung des Lautsprechers mit dem Nutz-Wechsel- spannungssignal ist die Aussteuerbarkeit von Lautsprecherspule und -Konus nach einer Seite hin bereits stark eingeschränkt, Verzerrungen oder eine stark verringerte Leistung des Lautsprechers sind das Ergebnis.
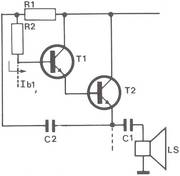
Niemals Gleichspannung am Verstärkerausgang

- Bild 2. Diese Schaltung funktioniert nur dann ordentlich, wenn der Widerstandswert von R3 klein ist gegen die Lautsprecherimpedanz. An diesem kleinen Widerstandswert erzeugt die auf 1/2 Ub eingestellte Emitterspannung einen unvertretbar großen Ruhestrom, der Wirkungsgrad der Schaltung ist miserabel.
Eine Gleichspannung am Verstärkerausgang ist also unzulässig. Aber kann man den Lautsprecher nicht einfach über einen Kondensator anschließen, der verhindert, daß ein Gleichstrom durch die Schwingspule fließt?
Man kann - wenn man dafür sorgt, daß der Ruhe- Gleichstrom der Stufe trotzdem fließen kann. Die Schaltung sieht also so aus, daß anstelle des Lautsprechers ein Widerstand zwischen Emitter und Masse liegt, über diesen Widerstand fließt der Ruhe-Gleichstrom (Bild 2).
Parallel zum Widerstand liegt die Reihenschaltung aus Kondensator und Lautsprecher, in diesem Zweig fließt der NF-Wechselstrom. Die Sache funktioniert jedoch nur dann ordentlich, wenn der Widerstands- wert klein ist gegen den Lautsprecher- widerstand.
Damit ist sofort klar, welchen Nachteil diese Schaltung hat: In dem Widerstand, aber auch im Transistor fließt ein Haufen Strom, der nutzlos verschwendet wird. Das Netzteil müsste viel mehr Strom liefern, als wirklich benötigt wird, es entsteht eine Menge Wärme, die abgeführt werden muß.
Ab hier wird es sehr technisch. Sie müssen das nicht unbedingt lesen oder verstehen
Wer jedoch ein wenig Ahnung hat von Transistoren oder ein wenig mitdenken möchte, der kann hier einiges lernen.
.
(2) Die komplementäre Endstufe
Dies ist das gängigste aller denkbaren Konzepte für NF-Endstufen. Die komplementäre Endstufe ist die Konsequenz aus der soeben besprochenen Endstufe mit Kondensator und Widerstand. Durch den Kondensator fließt Wechselstrom, d.h. dieses Bauelement wird fortwährend aufgeladen und entladen.
Der Ladestrom fließt während der positiven Halbwelle über den leitenden Transistor. Während der negativen Halbwelle liefert der geladene Kondensator den Strom, dieser Entladestrom fließt über den Widerstand. Beide Ströme fließen als Nutzsignal durch den Lautsprecher, der ja in Reihe zum Kondensator liegt. Stellt man sich den Transistor als Schalter vor, der während der positiven Halbwelle geschlossen ist, so ist der nächstliegende Gedanke, den Widerstand ebenfalls als „Schalter", d.h. als Transistor auszuführen, der während der negativen Halbwelle geschlossen ist.
- Bild 3. Die komplementäre Endstufe ist der wahre Jacob. Während der positiven Halbwelle des Eingangssignals leitet der obere Transistor, der Strom steuert den Lautsprecher und lädt gleichzeitig den Kondensator. Während der negativen Halbwelle leitet T2, der Entladestrom fließt wieder durch den Lautsprecher, (komplementär = sich ergänzen).
.
Bild 3 zeigt den Anfang vom Ende der Probleme, soll heißen: das Prinzip einer brauchbaren Endstufe. Zwei Transistoren sind mit ihren Emittern zusammengeschaltet, dieser Punkt ist der Verstärkerausgang. Es handelt sich bei jedem der Halbleiter somit um einen Emitterfolger, wie bereits in der Schaltung Bild 1. Da auch die beiden Basisanschlüsse zusammengeschaltet sind, bekommen beide Halbleiter dasselbe Eingangssignal, und zwar über den Kondensator C1.
Wie funktioniert das ?
Zunächst wird die positive Halbwelle des steuernden Wechselspannungssignals am Eingang betrachtet. Beide Basisanschlüsse haben jetzt positive Spannung. Der obere Transistor ist ein npn-Typ, er leitet bei positiver Basisspannung; der untere pnp-Transistor dagegen sperrt. Wie in dieser Situation der Strom fließt, zeigt die mittlere Darstellung in Bild 3: über den leitenden Transistor Tl, den Kondensator und den Lautsprecher. Mit „Strom" ist der Signal-Wechselstrom der positiven Halb welle (i1) bezeichnet.
Der Kondensator wird vom Strom i1 aufgeladen, die Polarität der Ladespannung ist eingezeichnet. In welcher Richtung der Strom durch den Lautsprecher fließt, kann man sich nicht nur überlegen, sondern könnte man z.B. mit einem Oszilloskop feststellen, indem man die Spannung an den Lautsprecheranschlüssen mißt. Sie hat die im Bild eingezeichnete Polarität. Auch der Verbindungspunkt der beiden Emitter ist während der positiven Halbwelle positiv.
Während der negativen Halbwelle ist der obere Transistor gesperrt, somit gibt es zwischen +Ub und Masse keinen Weg für den Strom. Der Kondensator liefert in dieser Phase den Strom, er entlädt sich über den jetzt leitenden Transistor T2 (untere Darstellung in Bild 3). Da die „offizielle" Stromrichtung von Plus nach Minus führt (die linke Platte von C2 ist positiv), fließt der Strom i2 in der eingezeichneten Richtung.
Der dabei am Lautsprecher entstehende Spannungsabfall zeigt durch seine Polarität, daß während der negativen Halbwelle die Stromrichtung tatsächlich umgekehrt zur positiven Halbwelle ist. Hinsichtlich der Stromrichtungen während der beiden Halbwellen funktioniert die Schaltung also. Außerdem fließt kein Gleichstrom durch den Lautsprecher, aus den genannten Gründen eine unabdingbare Voraussetzung für eine brauchbare Endstufe.
Eine weitere wichtige Eigenschaft
Und noch eine weitere wichtige Eigenschaft hat die komplementäre Endstufe. Bisher wurde der Einfachheit halber angenommen, das Eingangssignal sei entweder positiv (p. Halbwelle) oder negativ. Deshalb wurden die beiden Transistoren als Schalter betrachtet. Aber so ist es in der Praxis natürlich nicht, denn das NF-Eingangssignal hat einen fast willkürlichen Verlauf der Spannung über der Zeit, es ist momentan auch mal „nur ein Bißchen" positiv usw.
Als ordentliche Emitterfolger sorgen jedoch die beiden Transistoren dafür, daß an ihren Emittern die Spannung zu jedem Zeitpunkt ein perfektes Abbild der momentanen Eingangsspannung ist. Diese Spannung ist maßgebend dafür, was mit dem Kondensator passiert, ob er „schnell noch ein Bißchen mehr" geladen oder „ein wenig" entladen werden muß usw.
Schnell heißt hier: so schnell, daß keine merkliche Verzögerung eintritt, so daß der Strom im Zweig Kondensator/Lautsprecher proportional und unverzögert zur Steuerspannung am Eingang ist.
Mit einer Einschränkung: Damit die Transistoren in den Leitzustand kommen können, muß die Spannung an der Basis des betreffenden Transistors um ca. 0,7 Volt höher (T1) oder niedriger (T2) sein als am Emitter. Die „ersten" 0,7 Volt jeder Halbwelle bewirken also keinen Ausgangsstrom, es entsteht eine unzulässige Unlinearität zwischen Steuerspannung und Lautsprecherstrom.
.
Der in Bild 3 eingezeichnete Basisspannungsteiler hilft in dieser Hinsicht nicht, denn es ist eine Gleich-Vorspannung zwischen den Basisanschlüssen der Transistoren erforderlich.
Betrachtet man nur die beiden Halbleiterübergänge Basis/Emitter von T1 und Emitter/Basis von T2, so erkennt man, daß diese beiden Halbleiterstrecken in Reihe geschaltet sind. Eine Vorspannung zwischen den beiden Basisanschlüssen, mit der die Halbleiter gemeinsam „so gerade" etwas in den Leitzustand kommen und dann ein Wechselspannungssignal „sofort", d.h. von Null Volt an verarbeiten können, muß einen Betrag von ca. 1,4 Volt haben.
Die Gleichspannungseinstellung der komplementären Endstufe
Als mit der Einführung der transistorisierten NF-Endverstärker die „Ausgangsübertrager" (Lautsprecherimpedanz-Anpassungs- trafos) verschwanden, sprach man von „eisenloser Endstufe".
Was die Röhrenspezis damals störte, war die Tatsache, daß eine Einstellung des Ruhestroms für die Endstufe erforderlich war. Zwar läßt sich diese Einstellung vermeiden, und in „modernen" Verstärkern findet man nur höchst selten noch den bewußten Trimmer, aber dafür sind zusätzliche Halbleiter erforderlich, und die waren damals sehr teuer. Die Verwendung von Trimmern hält den Aufwand an Halbleitern klein, so kann man mit nur fünf Transistoren einen Verstärker aufbauen, der 25...30W Leistung abgibt.
Weshalb diese Dinge hier erwähnt werden: Es geht genau genommen gar nicht um den Ruhestrom, die komplementäre Endstufe braucht ihn nicht. Was sie dagegen braucht, ist eine Vorspannung der Endstufentransistoren. Der Ruhestrom ist die Folge der Vorspannung, außerdem ist sein Betrag eine einfach zu messende Größe, die zwar mittelbar, aber genau angibt, ob die Endstufe die richtige Vorspannung hat.
.
Man nutzt einen Trick . . .
Bild 4 zeigt die gängige Art der Vorspannungserzeugung. Zwischen +Ub und Masse liegt ein Spannungsteiler aus zwei gleichen Widerständen R1, R2 und zwei Siliziumdioden D1, D2. Die Dioden liegen in Flußrichtung, so daß sie leiten, d.h. über jeder Diode entsteht ein Spannungsabfall von ca. 0,7 Volt. Der Spannungsteiler ist symmetrisch, somit liegt der Mittelpunkt (an dem C1 angeschlossen ist) auf 1/2 Ub. Die Gleichspannung an der Basis von T1 ist um ca. 0,7 Volt höher, die Basisspannung von T2 um 0,7 Volt niedriger.
Parallel zu der Reihenschaltung der beiden Dioden, die zusammen 1,4 Volt „erzeugen", liegt die Reihenschaltung der beiden Basis/ Emitter-Strecken der Transistoren. Da jede der Strecken ebenfalls 0,7 Volt „braucht", um in den Leitzustand zu kommen, leiten die Transistoren (etwas) und der Emitter-Ausgang liegt ebenfalls auf 1/2 Üb.
Es genügt jetzt eine kleine Wechselspannung am Eingang, um die beiden Transistoren abwechselnd in den Leitzustand zu steuern. Das vorher „tote" Anlaufgebiet von 0,7 Volt ist dank der Voreinstellung beseitigt.
Allerdings ist diese Einstellung eine ziemlich labile Angelegenheit. Die Schwellenspannungen der Dioden und Basis/Emitter-Übergänge streuen von Exemplar zu Exemplar. Zwar sind es nur wenige Millivolt, aber die Transistorkennlinie (Kollektorstrom in Abhängigkeit von der Basisspannung) ist sehr steil. Deshalb müssen Maßnahmen zur Ruhestromstabilisierung vorgesehen werden.
(3) Die Darlingtonstufe für größere Leistungen
NF-Signalquellen wie Tuner oder Bandgeräte geben Signalspannungen zwischen einigen 100 Millivolt bis 1 oder 2 Volt ab. Spannungsmäßig reicht das bereits zur Steuerung eines Kopfhörers, und an manchen Tonbandgeräten ohne eingebauten Verstärker lassen sich Kopfhörer unmittelbar betreiben. Daran kann man sehen, daß die Spannungsverstärkung nicht das wesentliche Merkmal eines NF-Verstärkers sein kann.
Je nach gewünschter Leistung und abhängig von der Lautsprecherimpedanz muß die Spannungsverstärkung 10...100fach betragen. Das läßt sich mit 2 oder 3 Transistoren sauber (mit Gegenkopplung zur Herabsetzung des Klirrfaktors) schaffen. Der übrige Aufwand, insbesondere der Einsatz von dicken Leistungstransistoren, dient dazu, den großen Strom für den Lautsprecher zu erzeugen.
.
Die Leistungstransistoren in NF-Endstufen, etwa der bekannte 2N3055, können zwar hohe Ströme an den Lautsprecher liefern, ihr Stromverstärkungsfaktor ist jedoch ziemlich niedrig.
Deshalb wird jedem Endtransistor noch ein weiterer Treiber-Transistor als zusätzlicher Stromverstärker vorgeschaltet.
Bild 5 zeigt die Anordnung. T1 und T3 sind, wie die beiden Endtransistoren T2 und T4, als Emitterfolger geschaltet, die bekanntlich keine Spannungs-, sondern nur eine Stromverstärkung machen.
Der Kollektorstrom IC1 des ersten Transistors z.B. ist der Basisstrom IB2 des Endtransistors im oberen Teil der Endstufe für die positive Halbwelle. Der gesamte Stromverstärkungsfaktor ist das Produkt aus den einzelnen Verstärkungsfaktoren. Um diesen Faktor ist der Kollektorstrom IC2 im oberen Zweig höher als der kleine Steuerstrom IB1.
.
Die Transistoren T2 und T4 in Bild 5 sind je ein npn- und ein pnp-Leistungstransistor (Richtung des Emitterpfeils beachten) des gleichen Kalibers. Aus technologischen Gründen sind jedoch pnp-Leistungstransistoren teuer (Anmerkung: damals war das so.), während der gängige 2N3055 (npn) sehr preiswert zu haben ist. Man hat deshalb nach Wegen gesucht, in der Endstufe zwei npn-Leistungstransistoren verwenden zu können, ohne auf das Merkmal „komplementär" verzichten zu müssen.
Bild 6 zeigt die Lösung des Problems, die quasi-komplementäre Gegentakt-Endstufe. Was als „Gegentakt" bezeichnet wird, müßte eigentlich klar sein: Die beiden Zweige oben und unten übernehmen, wie schon in Bild 3, 4 und 5, abwechselnd die Stromverstärkung der Halbwellen, sie arbeiten im Gegentakt.
(4) Die quasi-komplementäre Gegentakt-Endstufe
In Bild 6 ist der obere Zweig gegenüber Bild 5 unverändert, der Endtransistor war bereits ein npn-Typ mit einem vorgesetzten Emitterfolger. Unten dagegen ist eine Änderung eingetreten, T4 ist jetzt ebenfalls ein npn-Leistungstransistor. Emitter und Kollektor haben die Plätze getauscht, trotzdem verhält sich dieser Zweig wie der Doppel-Emitterfolger oben.
Entscheidend ist nämlich die Schaltung von T3. Er ist der „ersatzweise" wirksame pnp-Transistor mit dem Emitter am Ausgang. Sein Kollektorstrom IC3 fließt unmittelbar in die Basis von T4, der zusammen mit T3 für die erforderliche Stromverstärkung sorgt und bei den negativen Halbwellen den hohen Laststrom liefert.
Übrigens bezeichnet man Transistor-Anordnungen wie in Bild 5 oben und Bild 6 oben und in Bild 5 unten als Doppel- oder Super-Emitterfolger. Der Oberbegriff hierfür sowie für eine Anordnung wie in Bild 6 unten heißt „Darlington". Es gibt heute „fertige" Darlingtons, zwei Transistoren in einem Gehäuse mit drei Anschlüssen.
.
Bootstrapping (oder Spannungserhöhung)
Was Bild 6 zeigt, ist nur das Prinzip der quasi-komplementären Endstufe. Es fehlt noch einiges, z.B. die Gleichspannungseinstellung und eine Stufe zur Spannungs-Verstärkung. Diese Sachen zeigt später das Gesamtschaltbild, aber eine der Maßnahmen soll vorher noch gesondert besprochen werden:
.
Das Bootstrapping, das dazu dient, die zur Verfügung stehende Speisespannung optimal zu nutzen (Bild 7) . Selbstverständlich will man mit dem Elektronik-Aufwand, der in einer Endstufe steckt, eine möglichst hohe Ausgangsleistung erzielen. Die an den Lautsprecher abgegebene Leistung ist um so höher, je höher die Speisespannung gewählt wird. Die Steigerung ist in etwa quadratisch, weil mit der Spannung auch der Lautsprecherstrom steigt, die Leistung ist ja das Produkt aus Spannung und Strom.
.
Die Speisespannung der Endstufe ist vom Netzteil her vorgegeben. Aber ausgerechnet dann, wenn der Verstärker voll ausgesteuert wird und seine höchste Leistung abgeben soll, geht das Netzteil „in die Knie", die Speisespannung nimmt im ungünstigsten Moment ab. Stabilisierung der Speisespannung wäre zwar möglich, dann muß aber die unstabilisierte Netzteilspannung höher sein, damit die Stabilisierungsschaltung funktioniert. Diese höhere Spannung könnte man dem Verstärker dann ja auch direkt anbieten.
Da ist also ohne Mehraufwand im „Leistungsbereich" (in diesem Fall im Netzteil) nichts zu machen. Deshalb ist auf jeden Fall dafür zu sorgen, daß wenigstens die bei Vollaussteuerung verringerte Speisespannung voll genutzt wird. Da, wie bereits gezeigt wurde, bei der negativen Halbwelle des Steuersignals der Kondensator C1 den Lautsprecherstrom liefert, ist der eigentlich kritische Moment die positive Halbwelle.
Bei Vollaussteuerung müssen, damit die höchstmögliche Leistung erzielt wird, die beiden Transistoren T1 und T2 in Bild 6 voll in den Leitzustand kommen. Dann nämlich erreicht die Spannung am Emitter-Ausgang das Potential der Speisespannung, bis auf eine kleine Differenzspannung von einigen hundert Millivolt, die über der Kollektor/Emitter-Strecke von T2 abfällt.
Diese sogenannte Knie Spannung tritt bei einem Transistor immer auf, wenn er in die „Sättigung" gesteuert wird, wie das heißt. Läßt man der Einfachheit halber die Sache mit der Kniespannung außer Betracht, dann liegt bei Vollaussteuerung mit der positiven Halbwelle der Ausgang auf Speisespannungspotential.
Damit aber die beiden Transistoren überhaupt in den Leitzustand kommen können, muß in diesem Moment die Spannung an der Basis von Tl um mindestens 2 x 0,7 Volt höher sein als die Ausgangsspannung (sprich: Speisespannung). Nur dann kann überhaupt Basisstrom in den ersten Transistor fließen, nur dann werden die in Reihe liegenden Basis/Emitter-Spannungsschwellen von je ca. 0,7 V überschritten.
In der ganzen Schaltung tritt aber von alleine, d.h. ohne besondere Maßnahmen, keine Spannung auf, die höher ist als die Speisespannung, denn auch eine vorgeschaltete Spannungsverstärkerstufe wird an der gemeinsamen Speisespannung betrieben und kann somit keine höhere Spannung liefern.
Mit dem Schaltungskniff, der Bootstrapping genannt wird, ist es möglich, eine Spannung zu erzeugen, die höher ist als die (normale) Speisespannung. Diese Maßnahme zur „Leistungssteigerung" ist deshalb sinnvoll, weil sie lediglich einen Widerstand und einen Kondensator zusätzlich erfordert, also keine teuren Leistungsbauelemente.
In der endgültigen Ausführung der Endstufe wird der Transistor T1 von dem in Bild 7 nicht eingezeichneten Vorstufen-Transistor gesteuert, die gestrichelte Linie bei IB1 deutet dies an. Ohne Bootstrapping würde die Basis über nur einen Widerstand an der Speisespannung liegen, in Bild 7 ist dieser Widerstand in zwei Teilwerte Rl, R2 gesplittet. Am Verbindungspunkt der beiden Widerstände liegt der Bootstrap-Kondensator C2, dessen rechter Anschluß mit dem Schaltungsausgang verbunden ist.
Solange der Verstärker nicht gesteuert wird, hat der Ausgang und somit auch die rechte Platte von C2 die Spannung 1/2 Ub; die linke Platte ist positiver, denn sowohl die Speisespannung, mit welcher der Widerstand Rl verbunden ist, als auch die Basis von T1, an der R2 liegt, sind positiver als 1/2 Ub.
Für die Betrachtung der Funktionsweise ist die positive Halbwelle der Eingangsspannung interessant. Sie äußert sich am Ausgang als Anstieg der Spannung. Somit wird die rechte Platte des Kondensators positiver (gemessen am Ruhezustand) . Der Kondensator überträgt diese Spannungsänderung unmittelbar auf seine andere Seite. Hier war vorher die Spannung schon höher als am Ausgang, sie steigt jetzt noch weiter, nämlich um den Betrag, um den sich während der positiven Halbwelle die Ausgangsspannung erhöht. Bei Vollaussteuerung hat der Ausgang Speisespannungspotential, d.h. der Kondensator überträgt auf seine linke Seite einen Spannungssprung von 1/2 +Ub.
Dieser Betrag addiert sich am Knotenpunkt R1/R2 zu der dort vom Ruhezustand her gegebenen Spannung, die bereits höher als 1/2 Ub war. Somit tritt am Knotenpunkt eine Spannung auf, die über Ub liegt.
Diese Erscheinung tritt unabhängig von der tatsächlichen Höhe der Speisespannung auf, die ja bei Vollaussteuerung mit der positiven Halbwelle abnimmt. Es steht genau im richtigen Moment (positive Halbwelle) an der Basis von T1 eine Spannung zur Verfügung, die unabhängig von der momentanen Speisespannung um einige Volt höher ist als diese.
Damit ist eine wichtige Bedingung erfüllt: Über R2 steigt während der positiven Halbwelle auch das Potential an der Basis von T1, die erforderliche Spannungsreserve zur Steuerung der beiden Transistoren T1, T2 steht zur Verfügung. Somit wird bei Vollaussteuerung T2 in die Sättigung gefahren, die Speisespannung wird voll genutzt.
Gesamtschaltbild des Endverstärkers
Bild 8 zeigt die Schaltung eines vollständigen Endverstärkers. Die quasi-komplementäre Endstufe wurde um die Widerstände R9 ... R12 und die Dioden D3, D4 erweitert.
Zunächst zu den 1 Ohm-Widerständen R11 und R12. Sie liegen in den Emitterleitungen der beiden Endtransistoren und dienen zur Stabilisierung der Einstellung des Verstärkers. Durch T4 und T5 fließt der Ruhestrom, er muß jetzt auch durch die Widerstände. Wenn dieser Strom aus irgendeinem Grund ansteigen will, so erzeugt er einen größeren Spannungsabfall an den Widerständen. Dabei nimmt die Differenzspannung zwischen Basis und Emitter (T4 bzw. T2) ab, der Strom nimmt unmittelbar ab, genauer gesagt, er kommt gar nicht dazu, anzusteigen.
Die zu den beiden Widerständen parallel geschalteten Dioden begrenzen den Spannungsabfall bei Steuerung des Verstärkers mit einer Wechselspannung. Der große Lautsprecherstrom, der bei Vollaussteuerung fließt, würde an R11 und R12 einen Spannungsverlust von einigen Volt erzeugen.
Auf diese Spannung kann aber nicht verzichtet werden, deshalb sind die Widerstände mittels der Dioden kurzgeschlossen, sobald der Spannungsabfall den Wert 0,7 Volt erreicht. Dies ist somit die maximale Spannung, die an den 1 Ohm-Widerständen verloren geht; sie reicht zur Stabilisierung aber völlig aus. Die Widerstände R9 und R10 sind sogenannte „Ableitwiderstände". Nach einer positiven Halbwelle z.B. befinden sich in der Basiszone von T4 noch Ladungsträger, Leistungstransistoren sind nicht die schnellsten (Anmerkung: Das war der Stand von 1983).
Während T3 „längst" sperrt, muß die Basis von T4 noch ausgeräumt werden. Wohin aber sollen die Ladungsträger abfließen? T3 ist schon dicht, somit würde die Basis von T4 in der Luft hängen, wenn R9 nicht wäre. Mit R9 existiert ein ausreichend niederohmiger Basis-Stromkreis, die noch vorhandenen Ladungsträger können schnell genug weg. Transistor Tl, obwohl der (Verlust-) Leistung nach der kleinste von allen, ist insofern ein Schwerarbeiter, weil er eine Menge Funktionen hat. Er sorgt nicht nur für die Steuerung der Endstufe, sondern auch für die Spannungsverstärkung und für die Gleichspannungseinstellung des gesamten Endverstärkers (alle Stufen sind ja gleichstromgekoppelt, d.h. der Signalweg führt nicht über Kondensatoren). Außerdem dient die Stufe mit Tl zur gleichspannungsmäßigen Stabilisierung des Verstärkers und zur Festlegung des Spannungs-Verstärkungsfaktors.
Die typischen Bauelementen einer Transistorstufe
Aber der Reihe nach; zunächst deshalb zu den typischen Bauelementen einer Transistorstufe, die zur Spannungsverstärkung dienen soll.
Das NF-Signal gelangt über einen Koppelkondensator auf die Basis von Tl, Widerstand Rl ist „untypisch", er wird später besprochen. An der Basis müsste ein Spannungsteiler zur Gleichspannungseinstellung liegen. Der Teilwiderstand zwischen Basis und Masse ist schnell gefunden: R4. Der andere Teilwiderstand liegt normalerweise zwischen Basis und Pluspol der Speisespannung. Hier ist es die Reihenschaltung aus R2 und R3, die den oberen Teilerwiderstand bildet. Er liegt jedoch nicht an Plus, sondern an der mittleren „Schiene", die im Ruhezustand auf 1/2 Üb liegt. Der Grund wird später erläutert.
Bei einer ganz gewöhnlichen Verstärkerstufe liegt der Emitter an Masse, der Kollektor, der den Ausgang der Stufe bildet, über einen Widerstand an Plus. Hier liegen in der Kollektorleitung gleich fünf Bauelemente: Dl, D2, R7, R6 und R5.
Vergleicht man die drei Widerstandswerte, so ist zu erkennen, daß R5 und R6 die maßgeblichen, eigentlichen Widerstände in der Kollektorleitung sind. Denkt man sich die beiden Dioden und R7 weg, dann liegen die jeweils ersten Transistoren der komplementären Endstufe (T2, T3) tatsächlich mit den Basisanschlüssen am Kollektor von Tl, der ja den Ausgang der ersten Stufe bildet.
Der Kollektorstrom von T1 erzeugt an den Dioden und an R7 einen Spannungsabfall, der dank R7 ein wenig größer ist als 2 x 0,7 Volt. Seinen tatsächlichen Betrag kann man mit R7 einstellen. Auf diese Weise entsteht die anläßlich von Bild 4 besprochene Voreinstellung der Endstufe, R7 wird später, wenn der Verstärker aufgebaut ist, auf einen bestimmten Ruhestrombetrag getrimmt.
Der Emitter liegt nicht unmittelbar an Masse, sondern über den Widerstand R8. Das hat folgenden Grund: Bei direkter Verbindung liegt die Basis/Emitter-Strecke parallel zu R4. Die Spannung an R4 hängt dann nicht vom Spannungsteilerverhältnis ab, sondern beträgt grundsätzlich ca. 0,7 Volt. Damit wäre der Spannungsteiler außer Funktion gesetzt, und die Stufe würde folgendes Verhalten zeigen: Über R2 und R3 fließt ein Basisstrom in Tl, dessen Betrag nur von den beiden Widerstandswerten und der am oberen Ende von R2 zur Verfügung stehenden Gleichspannung abhängt. Über den Stromverstärkungsfaktor des eingesetzten Transistorexemplares kommt ein Kollektorstrom zustande, dessen Betrag „Undefiniert" ist, weil die Strom Verstärkungsfaktoren stark streuen.
Legt man dagegen einen Widerstand (R8) in den Emitter, dann sieht die Sache sofort ganz anders aus. Der Spannungsteiler R2/R3 und R4 stellt die Basis auf eine ganz bestimmte Spannung ein. Die Basis/Emitter-Strecke ,,nimmt sich" die berühmten 0,7 Volt, der Rest, der als Differenz zweier definierter Werte natürlich ebenfalls definiert ist, entfällt auf R8. Aus Spannung und Widerstand errechnet sich ein Strom, der durch R8 fließt und praktisch unabhängig ist vom Stromverstärkungsfaktor des verwendeten Transistorexemplares. Dieser Strom fließt aber nicht nur durch R8, sondern in der gesamten Kette vom Pluspol, über R5, R6 usw., über den Kollektor von Tl und weiter vom Emitter über R8 nach Masse. Somit hat der Kollektorstrom jetzt einen definierten Wert.
Das Gesetz von der Erhaltung des Übels
Nach dem Gesetz von der Erhaltung des Übels muß auch die Hereinnahme von R8 einen Nachteil haben: Die Spannungsverstärkung der Stufe reduziert sich durch diese Maßnahme, sie entspricht mit guter Näherung dem Verhältnis der im Kollektorweg einerseits und der im Emitterweg andererseits liegenden Widerstände. Je größer man den Emitterwiderstand macht, um so definierter ist zwar die Gleichspannungseinstellung der Stufe, aber um so niedriger ist die Verstärkung des Nutzsignals.
.
R8 wirkt für Gleich- und Wechselspannungen wie eine Gegenkopplung innerhalb derselben Transistorstufe. Dagegen hilft Kondensator C4. Jetzt ist der Emitterwiderstand nur gleichspannungsmäßig wirksam, wechselspannungsmäßig liegt der Emitter wieder unmittelbar an Masse, weil C4 so bemessen werden kann, daß er auch noch für die niedrigsten zu verarbeitenden NF-Frequenzen praktisch ein Kurzschluß ist.
Zwar wäre an dieser Stelle eine auch für Wechselspannung wirksame Gegenkopplung wünschenswert, und zwar im Hinblick auf geringere Verzerrung in dieser Verstärkerstufe und zur Heraufsetzung des Eingangs Widerstandes (eine „automatische" Folge der Gegenkopplung im Emitter), aber es zweckmäßiger, an dieser Stelle einen großen Verstärkungsfaktor beizubehalten und den gesamten Verstärker über alle Stufen gegenzukoppeln.
Dabei reduziert sich der Gesamtverstärkungsfaktor sowieso, und es werden alle Stufen, in denen Verzerrungen entstehen, erfaßt. Die hohe Stufenverstärkung von Tl mit seinem (für das Wechselspannungssignal) überbrückten Emitterwiderstand gestattet es, die Gegenkopplung vom Ausgang auf den Eingang „kräftig" zu machen, was sich auf den Klirrfaktor günstig auswirkt.
Die Wechselspannungs-Gegenkopplung besteht aus den Widerständen R13 und Rl. Da R13 hinter dem Kondensator C5 liegt, werden tatsächlich nur Wechselsignale erfaßt, denn im Ruhezustand ist hinter dem Kondensator keine Spannung, insbesondere keine Gleichspannung, denn dieser Punkt liegt (in Ruhe) über die Lautsprecherspule an Masse; somit ist R13 gleichspannungsmäßig als fester Widerstand parallel zu R4 aufzufassen und lediglich bei der Berechnung des Basisspannungsteilers von Tl zu berücksichtigen.
Wird der Verstärker angesteuert,
dann beginnt für R13 die eigentliche Aufgabe. Er bildet mit Rl einen Spannungsteiler für die Ausgangsspannung des Verstärkers, denn Rl liegt über Cl und den sehr niedrigen Innenwiderstand der steuernden Signalquelle an Masse. Der Knotenpunkt dieses Spannungsteilers ist mit der Basis von Tl verbunden, somit gelangt ein bestimmter, von den Widerstandswerten R13 und Rl abhängiger Teilbetrag der Ausgangsspannung zurück auf die Basis von Tl, an der er mit dem über Rl zugeführten Steuersignal „gemischt" wird.
Dieser Vorgang muß allerdings etwas genauer betrachtet werden. Das steuernde Eingangssignal und das Ausgangssignal des Verstärkers sind gegenphasig, wie man sich leicht überlegen kann. Bei einer positiven Halbwelle z.B. steigt die Spannung an der Basis von Tl, es fließt ein größerer Basistrom, der Kollektorstrom nimmt ebenfalls zu. Der höhere Kollektorstrom erzeugt an den (diversen) Widerständen in der Kollektorleitung einen stärkeren Spannungsabfall, so daß die Spannung am Kollektor abnimmt.
Das obere Darlington T3/T4 erhält weniger Steuerstrom und reagiert, indem es sperrt bzw. weniger leitet. Das untere Darlington kommt weiter in den Leitzustand; beides führt zu einer Abnahme der Ausgangsspannung. Somit verringert sich auch die Spannung des Teilers R13/R1. An der Basis von Tl steigt die Spannung bei einer positiven Halbwelle sehr viel weniger an, als von der Signalquelle „vorgegeben". Deshalb spricht man von Gegenphase bzw. von Gegenkopplung.
An der Basis von Tl wird als Steuerspannung die Differenz aus Eingangssignal und Gegenkopplungsspannung wirksam. Diese Differenz bestimmt die Höhe der Ausgangsspannung, denn nach Verstärkung mit Tl erscheint das Signal an den Darlingtons, die es - da sie selbst keine Spannungsverstärkung machen - in der Amplitude unverändert zum Ausgang gelangen lassen.
Dies aber ist eine interessante Erscheinung, denn wenn man die Differenzspannung verringert, indem man R13 einen kleineren Wert gibt und so mehr Spannung gegenkoppelt, muß man die Eingangsspannung (Ausgangsspannung der Signalquelle) heraufsetzen, um wieder dieselbe Ausgangsspannung des Verstärkers zu erhalten. Von dem Verhältnis R13 zu Rl hängt somit der Verstärkungsfaktor der gesamten Schaltung ab.
Das ist natürlich ein gutes Argument für die Einführung der Gegenkopplung: Mit Festwiderständen einen ganz bestimmten Verstärkungsfaktor einstellen zu können. Noch wichtiger aber ist eine andere Eigenschaft der Gegenkopplung: Sie reduziert die Verzerrungen, sorgt also für einen niedrigen Klirrfaktor, und zwar um so mehr, je kräftiger die Gegenkopplung ausgeführt ist.
Berechnung der Gegenkopplung am Zahlenbeispiel
Ein Zahlenbeispiel: Wenn Transistor Tl eine Spannungsverstärkung von lOOfach hat, dann beträgt die Leerlauf Verstärkung (ohne Gegenkopplung) ebenfalls lOOx. Es soll aber eine Verstärkung von nur z.B. 20fach durchgeführt werden. Diese Verminderung des Verstärkungsfaktors geschieht mit Hilfe der Gegenkopplung. Das Verhältnis Leerlaufverstärkung zu Verstärkung bei geschlossener Gegenkopplungsschleife, im Beispiel 100 : 20 = 5, wird als Gegenkopplungsfaktor bezeichnet. Der Leerlauf-Klirrfaktor z.B. 10%, verringert sich dank der Gegenkopplung, bei geschlossener Schleife beträgt er nur noch 10% : 5 = 2%.
Der in Bild 8 gezeigte Verstärker hat außer der Wechselspannungsgegenkopplung auch eine Gleichspannungsgegenkopplung. Sie dient dazu, die Gleichspannungseinstellungen der Transistoren sowie das Ruhepotential der 1/2 Ub-Schiene zu stabilisieren. Zu diesem Zweck liegt R2 an dieser Schiene, statt am Pluspol der Speisespannung. Wenn hier das Potential ansteigt, erfährt dies auch die Basis über den Spannungsteiler R2/R3 - R4. Tl zieht mehr Strom, seine Kollektorspannung nimmt ab. Dies bedeutet für das obere Darlington: weniger Basisstrom, für das untere: mehr Basisstrom. Dabei nimmt die Spannung der Schiene wieder ab, so daß dem angenommenen Anstieg entgegengewirkt wird. Umgekehrt, bei einer Abnahme der Spannung, funktioniert die Sache ebenso.
Mit R3 kann das Ruhepotential der Schiene auf genau 1/2 Ub eingestellt werden. Stellt man R3 z.B. auf einen höheren Widerstandswert ein, so verringert sich das Potential am Knotenpunkt des Spannungsteilers (Basis Tl). In der parallel zu R4 liegenden Reihenschaltung Basis/Emitterstrecke von T1/R8 entfällt nun weniger Spannung auf R8, so daß der Kollektorstrom abnimmt. Gleichzeitig und gleichmäßig fallen die Potentiale an den Basisanschlüssen von T3 und T2, das obere Darlington leitet ein bißchen weniger, das untere ein bißchen mehr, so daß das Ruhepotential der Schiene (Ausgangs-Ruhepotential) etwas abnimmt. Mit R3 kann somit für symmetrische Aussteuerung der Endtransistoren gesorgt werden.
Zu erwähnen sind schließlich noch zwei Kondensatoren. C2 ist der Bootstrap-Kondensator, er liegt so wie besprochen in der Schaltung. C3 verhindert, daß der Verstärker hochfrequente Schwingungen veranstaltet.
Wie kann das passieren?
Voraussetzung der Gegenkopplung ist die Tatsache, daß an einer Stelle eine Phasenumkehr von 180° stattfindet, in der vorliegenden Schaltung tritt sie zwischen Basis und Kollektor von Tl auf. Eine weitere Phasenumkehr ist nicht vorgesehen, aber sie kann in der Kette der Transistoren auftreten. Bei hohen Frequenzen werden die Transistoren zunehmend träger, d.h. das Ausgangssignal folgt dem Eingangssignal nicht unmittelbar, sondern ist verzögert. Bei einer bestimmten hohen Frequenz ist es dann soweit: Aus der Gegenkopplung ist eine Mitkopplung geworden.
Damit der Verstärker tatsächlich schwingt, müssen noch zwei weitere Bedingungen erfüllt sein. Zum einen muß ein Verstärkerelement in der Schleife sein (hier: Tl), zum zweiten muß der Oszillator angeregt werden. Auch die zweite Bedingung ist erfüllt, weil die Bauelemente in der Schaltung auf allen Frequenzen rauschen. Die Rauschspannungen haben zwar nur niedrige Amplituden, sie reichen aber zum Anregen der Schwingung aus.
C3 tut etwas ganz einfaches: Für alle Frequenzen des in Frage kommenden Bereiches ist er ein Kurzschluß, er koppelt das Signal vom Kollektor gegenphasig auf die Basis zurück. Für die Frequenzen des betreffenden Bereiches hat Tl keine Verstärkung; da an keiner anderen Stelle in der Schaltung Spannungsverstärkung stattfindet, ist die oben genannte Bedingung nicht mehr erfüllt.
Nachbemerkungen
Der in diesem Beitrag besprochene NF-Verstärker ist nur eine von zahlreichen möglichen Varianten desselben Prinzips. Im allgemeinen wird heute bei Verstärkern dieser Konzeption mehr Aufwand getrieben, der z.B. dazu dient, die Daten zu verbessern und die Ruhestromeinstellung überflüssig zu machen.
Bemerkenswerte Varianten sind integrierte Leistungsverstärker, die als Module bebezeichnet werden, sowie der Brückenverstärker, der es bei erheblichem Mehraufwand gestattet, bei etwa der halben Speisespannung eines normalen Verstärkers dieselbe Leistung herauszuholen.
Wesentlich anders und mit dem hier beschriebenen Verstärker nicht zu vergleichen sind Digital-NF-Verstärker und solche mit Leistungs-FETs (Feldeffekttransistoren) in der Endstufe. Sie sind aber noch nicht spruchreif, zumindest nicht für die Hobbyelektronik. Insbesondere bei den - im zu erwartenden Zusammenwirken mit digitalen NF-Aufzeichnungs- und Ubertragungsverfahren interessanten - Digital-NF-Verstärkern scheint es noch einige Schwierigkeiten zu geben.
.
Ich weiß, der Rest dieses langen Textes aus 1982 war wirklich nicht mehr so interessant, außer für Spezialisten.
Es sollte Ihnen aber nur zeigen, daß solch ein Verstärker überhaupt nicht trivial ist, will man alle Fehler vermeiden und höchste Qualität erzielen. Es gibt Verstärker mit 5 Transistoren pro Kanal, die wirklich gut klingen, zum Beispiel den uralten Harman Cardon Citation Twelve (12). Doch darf man die niemals kurzschließen oder ganz ohne Last betreiben. - Und dann gehen die auch über Jahre.
.






















