Das Manual (1 899 178) ist mehrere Seiten stark.
und der Schaltplan ist als A3 Seite innen drinnen. Bei Braun heißt das auch nicht Service Manual sondern Technische Information Elektroakustik.
Technische Information Elektroakustik
Lautsprecher-Verstärker Typ: LV720
-
Serviceunterlagen Blatt Nr.: 1
ALLGEMEINES
Die Lautsprecherkombination LV 720 besteht paarweise aus je drei Einheiten:
-
- 1. den beiden Frequenzweichen
- 2. den sechs Endverstärkern und
- 3. den 8 Lautsprecherchassis.
-
Die Frequenzweichen und die Endverstärker sind auf dem Kühlkörpereinschub zusammengefaßt. Die Ausgänge der Endstufen sind mittels Steckkontakten mit den im Gehäuse luftdicht eingebauten Lautsprecherchassis verbunden. (Anmerkung: gekrimmte Flachzungenstecker teilweise versilbert)
-
Anmerkung zur Schaltungstechnik:
Die Verstärker sind noch nach den Konzepten der ersten Generation konstruiert. Es gibt eine Versorgungsspannung und die Lautsprecher werden mit Koppelkondensatoren von der Mittenspannung abgekoppelt, sodaß nur der Wechselspanungsanteil der Ausgangsstufe an den Lautsprecher gelangt. Die Gleichspannung in Höhe der halben Versorgungspannung ist für den Lautsprecher unsichtbar.
Serviceunterlagen Blatt Nr.: 2
LAUTSPRECHERBESTÜCKUNG
| Tiefton | Mittelton | Hochton | ||
| Anzahl | 2 | 1 | 1 | |
| Typ | dynamisch | dynamisch | dynamisch | |
| Kalotten- membran | Kalotten- membran | |||
| Nennscheinwiderstand | (Ohm) | 8 | 8 | 4 |
| Belastbarkeit | (Watt) | 2 x 30 | 25 | 20 |
| Abmessung | (mm) | 175 | 134 | 80 x 120 |
| Membrandurchmesser | (mm) | 125 | 50 | 25 |
| Resonanzfrequenz | (Hz) | 25 | 380 | 900 |
| Schwingspulen- durchmesser | (mm) | 26 | 51 | 25 |
| Magnetische Feldstärke | (Oersted) | 2 x 9.500 | 14.000 | 15.000 |
| Magnetischer Fluß | (Maxwell) | 2 x 45.000 | 112.000 | 36.000 |
| Frequenzweichen | RC mit | 12 dB/Oktave | ||
| Ubergangsfrequenzen | akustisch | 400/3.000Hz | elektrisch | (-6 dB) |
| TT 300 Hz | MT 350/3.200 Hz | HT 4.800 Hz |
Anmerkung zur Lautsprecherbestückung
Die Basschassis der L710, der L715 und der LV720 sind offenbar nicht identisch. Das Basschassis der L710 hat nur 6,1 Ohm Gleichspannungswiderstand (kalibriert mit unserer 8 Ohm / 1% Type), sollte aber 8 Ohm haben.
Chassis-Typennummer L 710 = 2-443-931
Chassis-Typennummer LV720 = 2-443-911
Die Ferneinschaltung
Eingeschaltet werden die LV 720 - Einheiten durch eine vom Steuerverstärker (z.B. CES 1020) zu liefernde Relaissteuerspannung. Die Steuerspannung und die NF-Eingangsspannung werden gemeinsam über die beiden parallel geschalteten 7-poligen Buchsen eingespeist. Die Beschaltung ist so, daß die Wahl "rechts" oder "links" möglich ist. Außerdem können durch diese Anordnung im Zusammenhang mit den Netzsekundärdosen mehrere LV 720 (und/oder LV 1020) Einheiten untereinander verbunden werden. Das Relais schaltet die Netzspannung auf die Frequenzweichen- Verstärker-Einheit.
Serviceunterlagen Blatt Nr.: 3
FUNKTIONSBESCHREIBUNG
FREQUENZWEICHEN
Über einen Eingangspegelsteller 9. 501 - einstellbar zwischen 0,39 bis 2,45 V Eingangsempfindlichkeit, entsprechend -10 dB bis +6 dB - gelangt das NF-Signal an die Vorverstärkerstufe T501 / T502. Anschließend erfolgt die Aufteilung des Frequenzbereiches in drei Kanäle.
Der Tiefpaß des Tieftonkanals besteht aus zwei RC-Kombinaticnen R 522/C 521 und R 524/C522, die durch die Emitterfolger T 521/T 522 entkoppelt sind.
Beim Mitteltonkanal wird die Aufteilung durch insgesamt vier frequenzbestimmte Glieder erreicht:
Für die untere Grenzfrequenz sind die CR-Kombinationen C541/R544 und C544/R550 und für die obere Grenzfrequenz die RC-Kombinationen R546/C543 und R552/C546 entkoppelt durch die Emitterfolger T541 bis T544 maßgebend.
Der Hochpaß des Hochtonkanals wird aus zwei CR-Kombinationen C571/R573 und C573/R576, die durch die Emitterfolger T571/T572 entkoppelt sind, gebildet.
Der Emitterwiderstand der Ausgangsstufe des Mitteitonkanals ist zur Anpassung an die Wirkungsgrade der Lautsprecher unterteilt.
Die Ausgänge des Tiefton- und Hochtonkanals sind so beschaltet, daß mit den Pegelstellern R521 und R571, ausgehend von der Mittelstellung, entsprechend 0dB, die einzelnen Ausgangsspannungen um 3dB angehoben bzw. abgesenkt werden können.
-
Serviceunterlagen Blatt Nr.: 4
ENDVERSTÄRKER
Die drei Endverstärker (Tief-, Mittel-, Hochton) sind vierstufige gleichstromgekoppelte Verstärker mit komplementärsymmetrischen Endstufen. Die Transistoren T401 (T601, T701) und T402 (T602, T702) arbeiten als Spannungsverstärker, wobei letzterer die Komplementärtransistoren T404 (T604, T704) und T405 (T605, T705) ansteuert. Diese arbeiten als Stromverstärker und verwandeln das Eintaktsignal in das für die Aussteuerung der Leistungstransistoren T406 (T606, T706, T708), T407 (T607, T707, T709) benötigte Gegentaktsignal.
Über den Kondensator C411 (C611, C711) wird das NF-Ausgangssignal ausgekoppelt (Anmerkung : und damit die Gleichspannung in Höhe der halben Versorgungsspannung untedrückt). Der Transistor T403 (T603, T703), der auf dem Kühlblech des einen Treibertransistors montiert ist, bewirkt eine Stabilisierung des Ruhestromes der Treiber- und Endstufentransistoren gegenüber Temperatur- und Spannungsschwankungen.
Die Gegenkopplung vom Kollektor des Endtransistors T407 (T607, T707, T709 über R406 (R606, R706) in den Emitter des Eingangstransistors T401 (T601, T701) stabilisiert die Mittenspannung und reduziert den Klirrfaktor.
Die Endstufen sind durch je eine Schmelzsicherung Si401, Si601, Si701 gegen zu hohe Ströme und durch einen am Kühlkörper montierten Thermoschalter S801 gegen Uberhitzung geschützt. Bei Überschreiten der max. zulässigen Kühlkörpertemperatur schaltet dieser Thermoschalter die Primärseite des Netztrafos ab.
Serviceunterlagen Blatt Nr.: 5
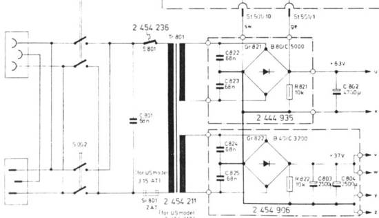
NETZTEIL
Zwei Sekundärwicklungen mit je einem Graetz-Gleichrichter und den dazugehörigen Lade- und Siebkondensatoren liefern die Betriebsspannungen für die einzelnen Baugruppen des Gerätes.
Serviceunterlagen Blatt Nr.: 6
GRENZDATEN FÜR MESSZWECKE
Grenzdaten für Messzwecke:
| Einstellbereich der | Pegelsteller : | linker Anschlag | rechter Anschlag |
| Gesamtpegel | - 10dB | + 6dB | |
| Tieftonkanal | bei 40 Hz | - 3dB | + 3dB |
| Hochtonkanal | bei 15 kHz | - 3dB | + 3dB |
| Frequenzweichen : | Übergangsfrequenzen | Referenzfrequenz | |
| Tieftonkanal | - 6dB | bei 310 Hz | gegenüber f = 40Hz |
| Mitteltonkanal | - 6dB | bei 300 Hz | gegenüber f = 1kHz |
| Mitteltonkanal | - 6dB | bei 4000 Hz | gegenüber f = 1 kHz |
| Hochtonkanal | - 6dB | bei 4500 Hz | gegenüber f = 15 kHz |
| Klirrfaktor | für TT, MT, HT | Pegesteller = 0dB | |
| Tieftonkanal | bei P = 60 Watt | f = 40Hz | k kleiner 0,1% |
| Mitteltonkanal | bei P = 22 Watt | f = 1kHz | k kleiner 0,1% |
| Hochtonkanal | bei P = 20 Watt | f = 15 kHz | k kleiner 0,1% |
| Fremdspannungsabstand: | bezogen auf | Vollaussteuerung | kleiner 90 dB |
Serviceunterlagen Blatt Nr.: 7
EINSTELL BESCHREIBUNG
FREQUENZWEICHEN
Alle drei Kanäle werden mit 4 Ohm abgeschlossen. Die Pegelsteller R501, R521 und R571 (Eingang, Tief-, Hochtonkanal) werden auf 0 dB gestellt. An den Eingang des Verstärkers wird eine Spannung von 100 mV gelegt.
Die Sperrung an Ausgang des Hochtonkanals muß dann bei f = 15kHz 2,7 +/- 0,5 dB betragen. Ohne die Eingangsspannung zu verändern, muß nun bei f = 40 Hz die Ausgangsspannung des Tieftonkanals 1dB über und bei f = 1 kHz die Ausgangsspannung des Mitteltonkanals 7dB untet der Ausgangsspannung des Hochtonkanals liegen.
NF-ENDVERSTÄRKER
Der Ruhestrom der Endstufe wird bei Raumtemperatur und 220 Volt (wir haben jetzt aber 230 Volt !!) Netzspannung ohne Signal mit R413 auf 25mA, R613 auf 30mA und R713 auf 63mA eingestellt. Es ist zweckmäßig, den Strommesser an Stelle der Sicherungen Si401 bzw. Si601, Si701 zu schalten (bzw einzuschleifen).
Serviceunterlagen Blatt Nr.: 8
MONTAGEHINWEISE
ABNEHMEN DES FRONTGITTERS
Mit zwei kleinen Schraubenziehern in der Nähe der Klettbänder - zuerst an einer Längsseite - das Gitter vorsichtig nach vorn abheben (siehe Skizze).
AUSBAU DES FREQUENZWEICHEN-VERSTÄRKER-EINSCHUBES
Die sechs Kreuzschlitzschrauben lösen, Verstärker nach hinten herausziehen. Die Länge der Lautsprecherkabel ermöglicht ein Ablegen des Verstärkers auf dem Gehäuse im betriebsfähigen Zustand.
Wurden die Flachsteckhülsen der Lautsprecher-Anschlußkabel abgezogen, so ist beim Einbau auf richtige Polung und auf den Anschluß der Lautsprecher mit den entsprechenden Verstärkern zu achten.
Serviceunterlagen Blatt Nr.: 9
AUSBAU DER LAUTSPRECHER
Die vier Schrauben des defekten Lautsprechers lösen, Lautsprecher nach vorn herausziehen. Anschlußdrahte ablöten.
Beim Einbau der Lautsprecher ist auf die richtige Polung der Anschlußdrähte zu achten. Die Anschlußdrähte dürfen weder den Lautsprecher selbst noch im Bereich der Lötösen den Korb berühren.
Die Lautsprecher werden mit Prestik-Dichtschnur 5x2 (Fa. Bostik) luftdicht auf die Schallwand geschraubt.
Anmerkung zum Gehäuse:
Die Chassis werden alle mit metrischen Schrauben in von innen in die Gehäusewand eingesetzten Gewindekrallen befestigt. Das ist vorbildlich. Bei Canton in der erheblich teureren Ergo Aktiv sind die Chassis mit simplen Spanplattenschrauben im Holz befestigt.
Weiterhin ist die nachfolgende Stückliste ebenfalls vorbildlich. Bei vielen Herstellern kann der Service aufgrund der Stückliste dennoch nichts reparieren.
Kundendienst Elektronik Ersatzteilliste
Typ: LV720 Blatt Nr.: 1
| Pos. | Benennung | Best. Nr. |
| 1 | Gehäuse, weiß | 2 454 803 |
| 2 | Gehäuse, nußbaum | 2 454 804 |
| 3 | Gitter, vollständig, eioxiert | 2 443 838 |
| 4 | Gatter, vollständig, dunkel | 2 443 853 |
| 5 | Tieftonlautsprecher | 2 443 911 |
| 6 | Mitteltonlautsprecher | 2 415 931 |
| 7 | Hochtonlautsprecher | 2 422 731 |
| 8 | Linsenschraube, schwarz, brüniert AM 4 x 20 DIN7985 | 0 900 160 |
| 9 | Abdeckung 2 415 013 | |
| 10 | Faston-Steckhülse Nr. 160432-2 | 0 710 310 |
| 11 | Einbau-Kaltgeräte-Steckdose Art.-Nr. 5098 | 0 900 642 |
| 12 | Einbau-Kaltgeräte-Stecker Art.-Nr. 6061-1 | 0 710 828 |
| 13 | Drehknopf, montiert | 2 444 913 |
| 14 | Thermoschalter | 2 454 236 |
| 15 | Kabelbaum | 2 454 934 |
| 16 | Flachstecker 1.20.110-32 | 0 715 076 |
| 17 | Netztransformator | 2 454 211 |
| 18 | Netzschalter | 2 454 214 |
| 19 | Sicherung T 1,6 A Nr. 19195 | 0 600 282 |
| 20 | Sicherung T 1,6 A DIN 41571 | 0 600 084 |
| 21 | Buchse BO DIN 45328 | 0 901 618 |
| 22 | G-Sicherungshalter Nr. 19601 | |
| 23 | Verschlußkappe Nr. 19602 | |
| 24 | Gleichrichter B40 C3200/2200 | 0 640 115 |
| 25 | Winkel für Gleichrichter | 1 211 611 |
| 26 | Winkel für Frequenzweiche | 2 454 239 |
| 27 | Sicherungshalter E 1073 Bz | 0 715 037 |
| 28 | Kühlblech, rechts | 2 454 228 |
| 29 | Kühlblech, links | 2 454 229 |
| 30 | Befestigungsbügel | 1 211 607 |
| 31 | Kodierstift 163601-1 | 0 901 815 |
| 32 | Federleiste 163683-9 | 0 710 019 |
| 33 | Relais | 2 444 021 |
WIDERSTÄNDE
| 34 | Schichtwiderstand 820 Ohm 10% 1W | 0 611 766 | R 509 |
| 35 | Schichtdrehwiderstand | 2 454 237 | R 501 |
| 36 | Schichtdrehwiderstand | 2 454 238 | R 521 |
| 37 | Schichtdrehwiderstand | 2 454 238 | R 571 |
Kundendienst Elektronik Ersatzteilliste
Typ: LV720 Blatt Nr.: 2
| 38 | 0,068 uF /20/250V | 0 620 672 | |
| 39 | 2500 uF 50V | 0 623 175 | |
| 40 | was ist das ?? | 2 454 248 | Elko |
| 41 | 470 uF 50V | 0 620 356 | C 501 |
| 42 | 0,68 uF 63V | 0 621 129 | C 502 |
| 43 | 1000 uF 50V | 0 623 167 | C 503 |
| 44 | 3300 uF 63V | 0 621 132 | C 571 |
| 45 | 3300 uF 63V | 0 621 132 | C 572 |
| 46 | 0,68 uF 63V | 0 621 129 | C 574 |
| 47 | 0,68 uF 63V | 0 621 129 | C 575 |
| 48 | 0,015 uF 63V | 0 621 131 | C 54] |
| 49 | 0,015 uF 63V | 0 621 131 | C 543 |
| 50 | 0,68 uF 63V | 0 621 129 | C 542 |
| 51 | 10 uF 63V | 0 623 069 | C 523 |
TRANSISTOREN
| 52 | BC 171 | 0 643 016 | T501 |
| 53 | BC 157 | 0 644 071 | T502 |
| 54 | BC 171 | 0 643 016 | T521 |
| 55 | BC 171 | 0 643 016 | T522 |
| 56 | BC 171 | 0 643 016 | T541 |
| 57 | BC 171 | 0 643 016 | T542 |
| 58 | BC 171 | 0 643 016 | T543 |
| 59 | BC 171 | 0 643 016 | T544 |
| 60 | BC 171 | 0 643 016 | T571 |
| 61 | BC 171 | 0 643 016 | T572 |
| 62 | BC 171 | 0 643 016 | T603 |
| 63 | BD 237 | 0 644 171 | T604 |
| 64 | BD 238 | 0 644 172 | T605 |
| 65 | BC 171 | 0 643 016 | T633 |
| 66 | BD 237 | 0 644 171 | T634 |
| 67 | BD 238 | 0 644 172 | T635 |
| 68 | BC 171 | 0 643 016 | T673 |
| 69 | BD 237 | 0 644 171 | T674 |
| 70 | BD 238 | 0 644 172 | T675 |
Frankfurt, 25.8.1976 KD - 6 - 76
NACHTRAG ZUR ERSATZTEILLISTE LV 720
| Benennung | Best.-Nr. | |
| T401/601/701 | BC 307 | 0644 187 D |
| T402/602 | MPSA 05 | 0644 428 G |
| T403/703 | BC 171 | 0643 016 E |
| T404 | BD 237 | 0644 171 H |
| T405 | BD 238 | 0644 172 H |
| T406/606 | BD 595 | 0644 430 K |
| T407/607 | BD 596 | 0644 431 K |
| T702 | MPSA 06 (BC 237) | 0644 429 G |
| T704 | BD 237 | 0644 171 H |
| T705 | BD 238 | 0644 172 H |
| T706/708 | BD 609 | 0644 426 K |
| T707/709 | BD 610 | 0644 427 K |
LAUTSPRECHER-VERSTÄRKER LV 720
Aus beschaffungstechnischen Gründen konnten in der ersten Fertigungsserie die Farb-Codierungen der Lautsprecher-Verstärker-Anschlüsse nicht gemäß Schaltbild ausgeführt werden. Die Anschlußkabel wurden mit folgenden Nummern gekennzeichnet:
Nr. 1 St 702 Tiefton +
Nr. 2 St 703 Tiefton -
Nr. 3 St 602 Mittelton +
Nr. 4 St 603 Mittelton -
Nr. 5 St 403 Hochton +
Nr. 6 St 402 Hochton -
Bitte ordnen Sie diesen Hinweis in Ihre Technische Information der LV 720 ein.
-
Anmerkung zum Netzteil:
Die untere Sekundär-Wicklung des Trafos liefert nach der Gleichrichtung etwa 37 bis 40 Volt Gleichspannung, die mit 2 x 2.500 uF geglättet und gepuffert wird. Das ist für die Frequenzweichen und Vorverstärker. Warum von den 63 Volt der oberen zweiten Wicklung (am Ausgang des Netzteils) nur 53 Volt am Versorgungseingang der Bassendstufe ankommen, bleibt der Schaltplan schuldig.
Die Konzeption mit Versorgungsspannungen ohne Mittenanzapfung der Trafo-Wicklungen und damit einer stabilen Masse war 1970 für Endstufen bereits nachteilig. Man muß bei dieser Technik die Lautspecherchassis mit Kondensatoren ankoppeln. Verstärker aus dieser Zeit waren bereits (spannungs-) symmetrisch aufgebaut.
Schaltplan Netzteil
Schaltplan LV720 Elektronik
Zur Schaltung und den verbauten Chassis:
Aus dem Schaltplan geht hervor, daß die beiden Basschassis parallel betrieben werden. Bei nur 6,1 Ohm (selbst gemessen) sind das bei 2 Chassis nur noch etwas über 3 Ohm. Das ist schon eine sehr niederohmige Last für die Endstufe.




