Stabilisierte und geregelte Spannungsversorgungen (1973)
Wir sind im Jahr 1973 und finden im Radio RIM Katalog (1973) eine Beschreibung von Spannungs-Stabilisierungen und deren Varaianten bzw. deren genauere Funktionen - also erst mal die Theorie. Später kommen die RIM Baugruppen (es sind Bausätze), mit denen sich jeder Hobby-Elektroniker und Bastler seine Spannungen selbst stabilisieren konnte.
.
Wir sind im Bereich Netzteile - Netzgeräte kommen später - hier geht es um stabilisierte Netzteile
Eine stabile Versorgungsspannung ist die Existenzgrundlage für jede elektronische Schaltung. Je komplexer der Umfang und je präziser die Funktion der Schaltung, desto besser muß die Spannungsversorgung sichergestellt sein.
Daneben erfordert ein erfolgreicher Laborbetrieb stabile Labor-Netzgeräte, deren Ausgangsspannungen in weiten Bereichen regelbar sind und mit umfangreichen Schutzeinrichtungen den Prüfling und das Netzgerät selbst schützen.
.
- Anmerkung : So weit die Anforderungen aus 1973. Inzwischen haben wir 2019 und wir brauchen auch gereglete Stromquellen, also Schaltungen oder ICs, die (nur) den Strom konstant halten bei variabler Eingangs- und Ausgangsspannung.
.
Die gute Spannungsversorgung zeichnet aus:
- • einen niedrigen Innenwiderstand,
- • eine gute Stabilisierung bei Laststromänderung
- • gute Stabilisierung bei Primärspannungsschwankungen
- • geringe Welligkeit, Fremdspannung
- • reversible Schutzeinrichtungen, Überstrom, Übertemperatur...
- • Temperaturunabhängigkeit
- • Hoher Wirkungsgrad
- • Schnelle Ausregelung (geregelte Stabilisierung)
.
- Anmerkung : Für unsere besonders sensiblen Audio-Schaltungen, insbesondere bei Phono-Vorstufen und Vor-Vor-Verstärkern kommen noch ein paar Randbedingungen hinzu.
.
Prinzipien:
.
- • Serienstabilisierung: Üblich für geringe Anforderungen
- • Serienregelung: Universalprinzip für alle Leistungen
- • Parallelstabilisierung: schlechter Wirkungsgrad
- • Parallelregelung: schlechter Wirkungsgrad
- • Getaktete Netzgeräte: hoher Wirkungsgrad, Aufwand nicht immer wirtschaftlich
.
Anmerkung / Ergänzung : Wie es im Prinzip funktioniert ....
Das Prinzip ist relativ einfach zu erklären. Zwischen das Netzteil mit Trafo und Gleichrichter und Siebelko und die eigentliche Last (also unseren Verbraucher) setze ich einen Vorwiderstand.
(Vor 100 Jahren war das im Kino wirklich ein riesiger Konstantan-Draht- Vorwiderstand auf einer länglich runden Keramik-Röhre mit einem über die ganze Länge reichenden variablen "Abgriff" (oder Schleifer), der noch von Hand (später mit Motor) rauf und runter gekurbelt wurde, damit im Kino-Saal die Beleuchtung fließend aus- und an-ging.)
An solch einem Vorwiderstand muß so viel Spannung "abfallen", also "verbraten" werden, bis an meinem Verbraucher nur noch die niedrigere (gewünschte) Spannung anliegt. Wie Sie rechts an dem verbrannten Teil sehen, hatte es manchmal nicht geklappt.
Heute sind das nur noch selten Drahtwiderstände mit vielen Abgriffen (immer noch oft bei alten großen AKAI und TEAC Bandmaschinen), sondern dicke Leistungs- Halbleiter wie der legendäre 2N3055 Transistor.
Die Leerlauf-Spannung des Netzteils, der Vorwiderstand und die zu erwartende Last müssen natürlich in einem vernünftigen Verhältnis zueinander stehen. Das Merkmal einer Stabilisierung und/oder einer Regelung ist, daß ich diesen variablen Halbleiter-Vorwiderstand geschickt von außen steuern kann. Mit einer kleinen künstlichen Referenzspannung kann ich die geforderte Soll-Spannung an meiner Last (bis zur Leistungs-Grenze) konstant halten. Was das Netzteil an Spannung "zuviel" erzeugt, wird am Vorwiderstand in Wärme umgesetzt (verbraten).
.
Eine einfache Kalkulation :
per Definition ist :
der Innenwiderstand = Ausgangsspannungsänderung / Ausgangsstromänderung
der Wirkungsgrad = abgegebene Leistung / aufgenommene Leistung x 100%
Ein unverständliches Original-Beispiel aus dem RIM Katalog:
Die Leerlaufspannung beträgt vor der Regelung etwa 30V. Bei einem Laststrom von 5A sinkt die Ausgangsspannung auf 29,5 V. Dann ist der Innenwiderstand Ri = (30-29,5V)/5A = 0,5/5 = 0,1 Ohm. Wenn das Netzgerät dabei insgesamt 190W aufnimmt, so ist der Wirkungsgrad n = 29,5V x 5A / 190W x 100% = 147,5 / 190 x 100% - 77,6%. Die Verlustleistung 190W-147,5W = 32,5W wird am Regeltransistor in Wärme umgesetzt.
.
- Anmerkung : Da fehlt irgend etwas an Spannungswerten, denn dieses Beispiel ist nicht einleuchtend oder plausibel erklärt, wo diese 32,5 Watt Verlustleistung herkommen.
.
Beginnen wir mit dem Sonderfall: Die Zenerdiode
In der Schaltung mit einem Vorwiderstand stellt diese Schaltung eine Parallelregelung dar (parallel zur Last). Der Laststrom muß/soll in Hinblick auf den Wirkungsgrad klein sein!
Das wäre also die primitivste Art der Spannungsstabilisierung auf den "Zener"-Wert. Die Zener Diode sperrt grundsätzlich eine Richtung wie jede andere Diode auch. Doch übersteigt die angelegte Spannung den Zener-Wert, wird diese Diode leitend und es fließt (im Bild von oben nach unten) ein Strom über den obligatorischen Lastwiderstand, an dem dann eine Spannung abfällt. An der Zenerdiode liegt dann nur noch die spezifizierte Zener-Spannung an. Das ganze geht auch nur für kleinste "Strömchen" und ist sehr ineffizient. So macht man das schon lange nicht mehr.
.
Jetzt zu den Prinzip-Beispielen :
.
Serienregelstrecke:
Der regelbare Vorwiderstand (hier ein Transistor) liegt in Serie mit der Last. Der Last-Strom durch die Last fließt auch durch diesen Widerstand.
Anmerkung : Wir nennen das heute einen anlogen Längsregler.
Parallelregelstrecke:
Auch diese Regelstrecke arbeitet als steuerbarer Widerstand. Die dabei entstehende Verlustleistung, Spannungsfall x Durchflußstrom wird in Wärme umgesetzt Die Regelstrecke muß eine sehr hohe Stromverstärkung besitzen um die Steuerspannung möglichst wenig zu belasten. Anmerkung : Diese Art der Regelung wird nur noch selten eingesetzt.
Serien-Stabilisierung:
Bei der Stabilisierung wird eine ihrerseits konstante Spannung als Steuerspannung angeschlossen. Grund -element ist hier meist eine Zenerdiodenschaltung.
Bei der Regelung wird die Ausgangsspannung (IST- Wert) mit einer stabilen Referenzspannung (SOLL- Wert) verglichen und daraus die Steuerspannung gewonnen. Die Regelstrecke wird immer solange nachgeführt, bis Ua (IST- Wert) gleich Uref (SOLL- Wert) ist. Je nach Güte der Regelung erfolgt dieser Regelvorgang schnell oder langsam. Erfolgt diese Ausregelung zu langsam, so kann es bei leistungsstarken Geräten mit Wechselspannungsaussteuerung zu undefinierten Versorgungsspannungen kommen. Die Regelung „kommt nicht mehr mit". Anmerkung : So funktionieren unsere Festspannungsregler.
.
Die Überstromsicherung
Elektronische Spannungsstabilisierungen sind meist elektronisch überstromgeschützt. Dies ist im Gegensatz zu unstabilisierten Versorgungen notwendig, da im Kurzschlußfall die Halbleiterbauelemente in der Regelstrecke sehr viel schneller als eine Feinsicherung durchbrennen würden.
Serien-Regelung:
mit Strombegrenzung:
Der Ausgangsstrom wird auf einen Maximalwert begrenzt.
mit Stromabschaltung:
Überschreitet der Ausgangsstrom einen bestimmten Maximalwert, so wird die Spannung völlig abgeschaltet.
.
Rückstromschutz:
Bei Labor-Netzgeräten soll der Maximalwert einstellbar sein. Werden an ein Netzgerät Energiespeicher angeschlossen, so kann es zu einem umgekehrten Stromfluß durch die Regelstrecke kommen. Dieser umgepolte Strom würde die Halbleiter-Bauelemente aber zerstören. Ein gutes Netzgerät sollte daher einen Rückstromschutz besitzen. Energiespeicher sind z.B.: Akku, Motor, Kapazitäten, Induktivitäten
.
Beispiel:
An ein Netzgerät wird ein Verbraucher angeschlossen, der seinerseits große Elkos im Stromkreis hat - zum Beispiel eine große Leistungsendstufe. Wird das Netzgerät netzseitig ausgeschaltet, so entladen sich diese Elkos rückwärts über das Netzgerät - es fließt Strom in umgekehrter Richtung.
.
Die Radio RIM Einzelbausteine (Bausätze) von 1973
Einfach und elektrisch stabil:
Netzteilbaugruppe SNT 1205
für Ua = 12,5V bis 14,5V/0,5 A
Bitte beachten Sie:
Die Netzteil-Baugruppen werden jeweils ohne Trafos und Kühlelemente, jedoch mit allen sonst erforderlichen Bauteilen, wie Transistoren, Leiterplatten, Elkos und Widerständen geliefert. Preise der Kühlelemente und Netztrafos wollen Sie bitte dem Bauteile-Katalogteil entnehmen. Sämtliche stabilisierten Baugruppen- Netzgeräte sind mit modernen Silizium-Transistoren bestückt.
Passender Transformator für Baugruppe SNT1205, Typ TRC, Best.-Nr. 18-35-080
Bausatz SNT 1205 Bestell-Nr. 01-40-150
Für 24 V-Stromversorgung:
Netzteilbaugruppe SNT 241
für Ua = 24 V/1 A
Passender Transformator für Baugruppe SNT 241, Typ BV 168, Best.-Nr. 18-35-060
Bausatz SNT 241 Bestell-Nr. 01-40-155
.
Netzteilbaugruppe SNT351
Für 35 V-Betriebsspannungsbedarf: für Ua = 35 V/1 A
Passender Transformator für Baugruppe SNT351,Typ BV 00272, Bestell-Nr. 18-40-250
Bausatz SNT 351 Bestell-Nr. 01-40-160
.
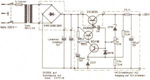
Netzteilbaugruppe SNT501
Für 50V-Betriebsspannungsbedarf: für Ua = 50 V/1 A
Passender Transformator für Baugruppe SNT 501, Typ TRM 3000, Bestell-Nr. 18-40-110
Bausatz SNT 501 Bestell-Nr. 01-40-165
.
Netzteilbaugruppen
SNT 502 für Ua = 50V/2A
SNT 602 für Ua = 60V/2A
Für 50 bzw. 60 V-Betriebsspannungsbedarf:
Passender Transformator für Baugruppe SNT 502, Typ BV NFK 50, Bestell-Nr. 18-40-230
Passender Transformator für Baugruppe SNT 602, Typ 50/3 A, Best.-Nr. 18-40-300
Bausatz SNT 502 (50 V/2 A) Bestell-Nr. 01-40-167
Bausatz SNT 602 (60 V/2 A) Bestell-Nr. 01-40-170
.
Netzteilbaugruppe SNT 603
Für 60V-Betriebsspannungs- und 3A-Strombedarf:
Passender Transformator für Baugruppe SNT 603, Typ 50/4,5 A, Best.-Nr. 18-40-310
Bausatz SNT 603 (60 V/3 A) Bestell-Nr. 01-40-175
.
Die Reihe NTM 5-24 - alles in einem Chip
Einfacher geht es kaum mehr: Eine neue Generation von stabilisierten Netzteilbausteinen
• Kurzschlußsicher durch Strombegrenzung
• Eingebaute Gleichrichtung und Siebung
• Mit Flachtransformatoren und Kühlelementen
• Europa-Steckkartenformat
• Problemlos und in Minuten aufgebaut
Unsere neue Netzteilbausteinserie wurde unter Ausnutzung des heutigen Standes der Transformatoren-, Halbleiter- und Bauteiletechnik entwickelt.
Das Herzstück der Netzteilbausteine sind integrierte Spannungsregler mit thermischem und elektronischem Schutz und sind in der Lage, Ausgangsströme bis max. 1 A bei hoher Stabilität und äußerst geringer Restwelligkeit zu liefern. Der Spannungsabfall bei 100% Last beträgt lediglich ca. 100 mV. Die Innenwiderstände liegen unter 0,2 Q und die Restwelligkeit ist kleiner als 2 mV.
Zu den weiteren bemerkenswerten Eigenschaften dieser modernst konzipierten Netzteilbausteine zählen auch die neuen Flachtransformatoren, die einen platzsparenden Einsatz der Netzteilbausteine gestatten. Diese ermöglichen eine wesentliche Reduzierung der Steckkartenabstände bei gleichzeitiger, günstiger mechanischer Stabilität der Netzteilbausteine. Die Bauhöhe des modulmäßig und für die Printplattentechnik prädestinierten Flachtransformators entspricht etwa höhenmäßig der Größe der übrigen Bauteile.
Mit diesen integrierten analogen Regler-ICs war die diskrete Technik zu Ende
Die integrierten Spannungsregler waren mit einer Geschwindigkeit auf dem Vormarsch, daß die Preise ziemlich schnell verfielen. Am Anfang war der sogenannte 1 Ampere Längs-Regler im T0 220 Gehäuse der Renner. Den gab es mit ±5V, ±8V, ±12V,±15V und ±24V jeweils mit den positiven und mit den gleichen negativen Spannungen.
Wenig später kamen diese Regler mit dem T03 Gehäuse und bis zu 5A Laststrom heraus. Dann wurden die Abstufungen der festen Spannungen im positiven wie im negativen Bereich verfeinert.
.



















