Hier das 1981er Bedien- und Service- Handbuch des 
HECO STUDIO- ABHÖR-MONITORs P7302 SLV/K und SLV/K2
Auf der Basis des Standardtyps P7302 SLV, einer akustisch hochwertigen Standbox für den Wohnraum, entstand mit geringfügigen Modifikationen der aktive Studio-Abhörmonitor P7302 SLV/K für professionelle Abhörzwecke, der die Anforderungen der Rundfunkanstalten erfüllt.
Die besonders kompakte Bauweise und das elektro-akustisch neutrale Verhalten sind die wichtigsten Merkmale. Deshalb wird er vorzugsweise in kleineren bis mittleren Abhörräumen eingesetzt. Für größere Abhörräume und höhere Schallpegel, aber auch für Saalbeschallungen, haben sich verschiedene Gruppenanordnungen dieses Boxentyps bewährt.
Der Abhörmonitor P7302 SLV/K wurde mit der Zielsetzung möglichst vollkommener Klangneutralität konstruiert. Er soll ein unbestechliches Werkzeug bei Tonproduktionen sein. Deshalb sind die frontal bedienbaren Trimmpotentiometer zur Frequenzbeeinflussung ab Werk exakt justiert und für den Benutzer nicht ohne weiteres zugänglich. Die in Sonderfällen notwendige Beeinflussung des Frequenzganges oder die akustische Anpassung bei Neuinstallationen ist durch einfaches Verstellen dieser normalen bedienungsgeschützten Potentiometer möglich.
Die für Studio-Monitoren gültigen Meßverfahren sind im wesentlichen durch das IRT ausgearbeitet worden. Das Technische Datenblatt der P7302 SLV/K berücksichtigt in vollem Umfang die Forderungen des IRT. Jeder Monitor, der das Werk verläßt, ist einer sorgfältigen Qualitätsprüfung unterzogen worden.
Die TECHNISCHE KONZEPTION
Um die erforderliche Klangneutralität zu erreichen, muß innerhalb des Übertragungsbereiches für Gleichmäßigkeit der Schalleistung und der Richtcharakteristik gesorgt werden. Außerdem muß der praktischen Anwendung in akustisch aufbereiteten Abhörräumen besonders Rechnung getragen werden. In solchen Räumen rufen breit abstrahlende Boxen hörphysiologisch andere Effekte hervor als z. B. im Wohnraum.
Und um diese Forderung zu erfüllen, hat der Hersteller seine Erfahrungen auf dem Gebiet luftdicht geschlossener Kompaktboxen mit räumlich breit abstrahlenden Kalotten- Mittelton- und Hochtonchassis genutzt. Vor allem das Bündelungsmaß stellt ein entscheidendes Kriterium für die Natürlichkeit einer akustischen Wiedergabe dar. 
Deshalb ist der P7302 SLV/K mit Mittel- und Hochtonkalotten ohne jegliche Schallführung bestückt. Um klangbeeinflussende Gehäuseresonanzen weitgehend zu unterbinden, ist das Nettovolumen des gesamten luftdicht geschlossenen Gehäuses (also nur eine gemeinsame Gehäusekammer) auf ein Minimum reduziert worden. Die hierdurch entstandene hohe Luftpolstersteife wirkt für die zwei eingesetzten Tieftonchassis als klassische "akustische Aufhängung" und verbessert das Ein- und Ausschwingverhalten.
 Um die so bedämpfte Eigenresonanz aller für den P7302 SLV/K verwendeten Spezialchassis noch weiter zu unterdrücken, wurden drei gleichartige, besonders niederohmige Endverstärker jedem Teilbereichs-Lautsprecher direkt gekoppelt zugeordnet.
.
Unsere VORUNTERSUCHUNGEN bei HECO
Bevor der P7302 SLV entwickelt wurde, waren Untersuchungen über die energetische Verteilung der Leistungen im gesamten Hörbereich bei Musik- und Sprachsignalen notwendig.
Dabei stellte sich heraus, daß sich in der Belastungskurve der DIN 45573, Teil 2, nur die rein thermische Belastung durch klassische Orchesterwerke über längere Zeit widerspiegelt.
Andere Bewertungen und Meßverfahren ergeben völlig andere Verteilungen. Wird die spektrale Leistungsdichte über kürzere Zeiträume integriert, zeigen sich härtere Verhältnisse im Mittelton-und Hochtonbereich.
Werden Messungen der kurzzeitigen absoluten Spitzenwerte der Tonaufzeichnungen vorgenommen, so ist - je nach Aufnahmetechnik - mit konstanter Spitzenleistung über den gesamten Hörbereich zu rechnen.
Abb. 2 zeigt drei charakteristische Darstellungen:
.
- die Belastungskurve der DIN 45573 für Lautsprecher (1)
 - eine Darstellung des Effektivwertes über kürzere Zeiträume (30-cm-Schallplattenlänge) bei unterschiedlichen Musikstücken (Pop, Unterhaltung und Klassik) (2)
 - eine Gerade als Darstellung des Pegels kurzzeitig vorkommender Impulsspitzenwerte über den gesamten Übertragungsbereich (20-20000 Hz) (3)
 
.
KONSTANTE SPITZENLEISTUNG ÜBER DEN GESAMTEN HÖRBEREICH war verlangt.
Man kann in Abb. 2 erkennen, daß die spektrale Leistungsverteilung in einzelnen Frequenzbereichen stark unterschiedlich ist, daß jedoch die kurzzeitige Spitzenleistung über den gesamten Übertragungs- bereich gleich groß sein kann. Dieser sehr komplexen Eigenheit üblicher Tonaufzeichnungen kommen die speziellen Eigenschaften der im jeweiligen Teilbereich verwendeten Lautsprecher sehr nahe. 
Abb. 3 zeigt die Spannungsverläufe der 3-kanaligen Frequenzweiche. Als elektrische Übergangsfrequenzen wurden 250 Hz und 3 kHz gewählt.
.
Der Unterschied von SLV und SLV/K2
Mittel- und Hochton-Kalottenlautsprecher haben aufgrund ihrer geringen Abmessungen und sonstiger konstruktiver Gegebenheiten im Vergleich zum Tieftonchassis eine niedrigere Dauerbelastbarkeit.
 Sehr kurzzeitige und leistungsstarke Impulse dagegen können sie unbeschadet wiedergeben. Bei konventionellem Verstärker- Lautsprecher- betrieb ist eine gezielte Begrenzung der maximalen Dauerbelastbarkeit in einzelnen Frequenzbereichen nicht möglich. 
Normale Endstufen, die das gesamte Frequenzband übertragen, liefern die gleiche Leistung im gesamten Übertragungsbereich.
 Dadurch sind Kalotten-Mittel- und Hochtonlaut- sprecher besonders gefährdet, weil sie im Extremfall (z. B. Fehlbedienung) mit der gleichen (maximalen Verstärker-) Leistung angesteuert werden könn(t)en wie der Tieftonlautsprecher.
.
DIE LEISTUNGSAUFTEILUNG HT-MT-TT
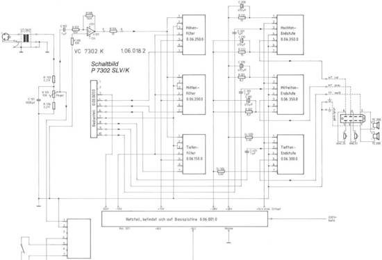
Für eine Differenzierung des Leistungsbedarfes wird der Über- tragungsbereich daher in drei Kanäle aufgeteilt. Die Aufteilung in die drei Teilbereiche erfolgt durch eine vorgeschaltete aktive Weiche, die mit integrierten Operationsverstärkern bestückt ist. 
Es ist vorteilhaft, die Aufteilung der Frequenzbänder (Tief-, Mittel-und Hochtonbereich) in dieser vorgeschalteten Weiche vorzunehmen. So können alle drei Endverstärker frequenzlinear und baugleich ausgelegt sein; und da sich kein Koppel- kondensator zwischen Endverstärkerausgang und Lautsprecher befindet, werden die Lautsprecherchassis breitbandig, d. h. also auch außerhalb ihres Übertragungsbereiches, elektrisch wirksam bedämpft. Diese breitbandige elektrische Bedämpfung hat bei den Lautsprecherchassis u. a. den Vorteil, daß höhere Klirranteile im Resonanzbereich unterbunden werden.
Abb. 4 rechts (Messung der Ein- und Ausschwingvorgänge an Endstufen) zeigt die unterschiedlichen Ausgangssignale zwischen Verstärkerausgang und Tieftonchassis im praktischen Betrieb.
 Mit Hilfe des Toneburstsignals läßt sich deutlich demonstrieren, daß Verstärkerausgänge mit komplexem Abschlußwiderstand ohne vorgeschalteten Koppelkondensator wesentlich günstigere Ein- und Ausschwingvorgänge aufweisen, die fast dem Original entsprechen.
Anmerkung zu dieser oben erläuterten Technik:
Während die BRAUN LV1020 Endstufen und die BRAUN LV720 Endstufen noch Koppelkonden- satoren benötigten, hatten diese Heco 3-Wege Verstärker bereits die leistungsfähigeren direktgekoppelten Ausgänge. Diese Verbesserung kam gerade zu der Zeit des Umbruches bei den professionellen Endstufen- Konzepten, als man die Spannnungsstabilität der dicken Endstufentransistoren so langsam in den Griff bekam. Mehr Informationen dazu gibt es auch noch weiter unten.
.
Das verstärkte NETZTEIL der SLV/K
Das Netzteil, das aus zwei Versorgungseinheiten besteht, befindet sich auf der Basisplatine und ist mit zwei Sicherungen je 1 A abgesichert. Die Versorgungseinheit mit (dem kleinen Hilfstrafo) Tr-501 wird immer mit Netzspannung 220V~ versorgt, unabhängig davon, ob der Abhörmonitor P7302 SLV/K eingeschaltet ist oder nicht. Tr-501 liefert 1x12V~, die mittels einer Verdopplerschaltung (D-503, D-504) auf ca. ± 16 V gleichgerichtet sind. Diese Spannungen dienen der Versorgung einer nachrüstbaren Einschaltautomatik.
Aus der +16V Spannung wird über ein stabilisiertes Netzteil, bestehend aus R-517, R-518, C-505, C-515, D-502 und Tr-501, eine auf +14 V stabilisierte Spannung für die Versorgung der Differenzverstärker in den Endstufen abgeleitet (Offsetversorgung).
Diese Maßnahme hat den Vorteil, daß die Differenzverstärkerstufe (gemeint sind die Eingangsverstärker der Endstufen - die auch so gut wie keinen Strom benötigen) bereits betriebsbereit sind, bevor die übrigen Module zugeschaltet werden (manuell über die grüne Taste oder nachrüstbar automatisch). Hierdurch wird das sog. "Einschaltknacken" bei Automatikbetrieb unterdrückt. Die Gesamtstromaufnahme des kleinenen Tr-501 beträgt ca. 2W.
Die zweite Versorgungseinheit mit (dem großen 220V-) Tr-502 (sekundär 2 x 20V~) erzeugt (etwas mehr als) ± 28 Volt für den Betrieb der Endstufen sowie über Z-Dioden stabilisierte Spannungen von ± 13 Volt zum Betrieb des Eingangsverstärkers (direkt nach dem Übertrager) und der drei Filtermodule. Eine Spannung von 20V~ zur Versorgung der Einschaltknopfbeleuchtung wird ebenfalls von Tr-502 abgenommen. Der Einschub ist intern schutzgeerdet.
DER EINGANGSVERSTÄRKER der SLV/K Studioversion
Der Eingangsverstärker befindet sich auf der Basisplatine. Die Modulation wird über den (Klein-) Tuchelstecker zunächst dem in einem Mu-Metallgehäuse befindlichen Eingangssymmetrie-Übertrager zugeführt und von dort dem Pegelregler direkt neben der Eingangsbuchse auf der Rückseite weitergeleitet.
Die rastende Mittenstellung des Pegelreglers wurde so ausgelegt, daß ein Eingangspegel von + 6 dBA ~ 1,55 Veff den Maximalschalldruckpegel des Studio-Abhörmonitors P7302 SLV/K hervorruft. Auf der Eingangsübertragerplatine befinden sich zwei Steckerleisten und eine Kabelschuhbrücke (wird offen geliefert), mit deren Hilfe es möglich ist, den Eingang (symmetrisch) mit der Gerätemasse zu verbinden.
Das NF-Signal (Modulation) wird vom Pegelregler dem Minus-Eingang des Operationsverstärkers zugeführt. Der Operationsverstärker V-101 hat zwei Aufgaben zu erfüllen: Einmal wird das Signal geringfügig verstärkt und zum anderen niederohmig und rückwirkungsfrei vom Ausgang her auf die Filtermodule verteilt. Zur Unterdrückung von Eigenschwingungen ist der Ausgang über R-514 entkoppelt. Die Funktion von V-101 ist an Punkt E des R-514 überprüfbar.
AKTIV-FILTERMODULE
Nachdem das Eingangssignal im Eingangsverstärker V-101 ca. sechsfach verstärkt wurde, gelangt es über ein Leiterbahnnetz auf der Basisplatine zu den einzelnen Aktiv-Filtermodulen (jeweils Stift 1). Auf den Filtermodulen befindet sich je ein Pegelregler (R-110, R-119, R-128), der im Werk exakt einjustiert wird. Die drei Aktivfilter sind bis auf geringfügige Abweichungen elektrisch identisch aufgebaut.
Am Beispiel des Hochton-Aktivfilters wird die Grundschaltung beschrieben: Ein Eingangshochpaß, bestehend aus C-103 und R-112, und ein zweiter Hochpaß, bestehend aus C-106 und R-115, verstärken den gewünschten Hochtonfrequenzbereich und lassen diesen passieren (s. Abb. 2).
Die Besonderheit im Hochton-Aktivfilter ist, daß zwischen V-102 und V-103 ein Saugkreis für 19 kHz eingefügt ist. Der Saugkreis bewirkt, daß Reste des Pilottons (bei Stereoprogrammen) bedämpft werden. Es hat sich gezeigt, daß einige Stereodecoder nicht zu vernachlässigende 19 kHz-Pilottonanteile aufwiesen, die eine konstante Vorbelastung der Hochtonkalotte zur Folge hatten und ihre Leistung verringerten.
Das Mittelton- und Tieftonfilter ist im Prinzip nach der gleichen Grundschaltung aufgebaut. Beide haben Bandfiltercharakteristik (Spannungsverlauf s. Abb. 2).
Das Tiefton-Aktivfilter hat deshalb Bandfiltercharakter, weil die Übertragung von Frequenzen unterhalb von 20 Hz stark bedämpft wird (Subsonic-Filter durch Hochpässe C-112, R-130undC-115, R-134).
Im Ein- und Ausgang der Filtermodule befinden sich Entkoppelwiderstände. Diese Ausgänge der Aktivfilter führen zum Bedienteil, das mechanisch fest mit dem Verstärkereinschub verbunden ist.
Die neuen ENDSTUFEN der SLV/K2
Die Endstufe ist in der Art eines Operationsverstärkers mit hoher Leerlaufverstärkung aufgebaut. Eine Gegenkopplung setzt die Verstärkung stark herab und sorgt für eine stabile Arbeitsweise. Ohne den Eingangskoppelkondensator von 1 uF (auf der Basisplatine) würde die Endstufe sogar mit positiver und negativer Gleichspannung linear ausgesteuert werden können.
Um jedoch Rumpelgeräusche von Plattenspielern sowie Trittschall unhörbar zu machen, wurde der Frequenzbereich unterhalb 20 Hz bewußt abgesenkt. 
Eine höchstmögliche Wiedergabetreue von impulsartigen Schallereignissen im Tieftonbereich ist bei dieser Box nur dann möglich, wenn die Lautsprecher elektrisch optimal bedämpft sind. Der hohe Dämpfungsfaktor einer Endstufe kann aber nur dann wirksam werden, wenn die Zuleitungen zwischen Endverstärker und Lautsprecher kurz und niederohmig sind.
Dieser Vorteil ist konsequent nur in einer Aktivbox zu verwirklichen und auch dort nur dann, wenn nicht noch Passiv-Netzwerke zwischen Lautsprecherchassis und Verstärker geschaltet sind.
Keine Koppelkondensatoren
Die Endstufen des P7302 SLV/K sind so konzipiert, daß durch den symmetrischen Aufbau ein Ausgangskoppelkondensator nicht erforderlich ist. Außerdem sind die Endstufen extrem niederohmig und erreichen bei Ra ~ 1,6 Ohm ihre größte Leistung. Unter allen Betriebsbedingungen überschreitet die am Ausgang vorhandene Offsetspannung nie ± 30mV (typisch: ± 10mV). Der Klirrfaktor beträgt knapp unter der Aussteuerungsgrenze < 0,03%; der IM-Faktor liegt unter 0,1%.
Ein Ansteigen der Temperatur der Endstufentransistoren und damit der Kühlflächen würde normalerweise auch die Arbeitspunkte verschieben. Aus diesem Grunde sind die Transistoren T-204, T-304 und T-404 in enger thermischer Kopplung zu den Endtransistoren montiert und kompensieren den Ruhestromverlauf. Dieser wird hierdurch in weiten Grenzen stabil gehalten (ca. 15-25 mA).
Die Endstufen für Tief-, Mittel- und Hochtonbereich sind schaltungstechnisch identisch, jedoch wurden einige Kondensatoren dem jeweiligen Frequenzbereich entsprechend unterschiedlich dimensioniert.
Genügend Leistung verfügbar
Leistungsmäßig sind die Endstufen so ausgelegt, daß die Tieftonendstufe in der Lage ist, in Abhängigkeit von der Höhe der Netzversorgungsspannung zwischen 50 Watt und 70 Watt Sinusdauerleistung an die Lautsprecher abzugeben. Bei anders dimensioniertem Netzteil können 120-150 Watt Sinusdauerleistung erzeugt werden. Durch diese großzügige Auslegung ist auch gewährleistet, daß eine hohe Musikleistung erreicht wird.
- Anmerkung: Im Außenstudio oder im mobilen Einsatz liefert ein Generator nicht immer die vollen 220 oder gar 230 Volt, sondern oft nur 200 oder 190 Volt und dazu noch eine "variable" Frequenz. Im stationären Studio werden inzwischen immer 230 Volt / 50Hz angeliefert.
 
-
Wie aus dem Schaltbild ersichtlich ist, befinden sich in den Versorgungsspannungs- zuleitungen der Mittel- und Hochtonendstufen RC-Kombinationen, die verschiedene Funktionen gleichzeitig erfüllen (R-221/C-209, R-222/C-210 und R-321/C-309, R-322/C-310). Sie stellen einen wirksamen Schutz für die Kalottenlautsprecher dar. Je höher die Aussteuerung ist, um so größer wird der Spannungsabfall an den Vorwiderständen. Für Impulse wird diese Wirkung durch die Ladung der parallel dazu geschalteten Elkos verringert. Die Ausgangsleistung der Mittel- und Hochtonendstufen ist also stark davon abhängig, wie hoch und wie lange die Endstufen ausgesteuert werden. Bei mittlerer Leistungsabgabe ist die Ladespannung der Elkos so hoch, daß Impulse hoher Dynamik immer noch Spitzenwerte von ca. 90 Watt erzeugen.
Durch die beschriebene Maßnahme ist es möglich, die Sinusdauerleistung einerseits sinnvoll zu begrenzen, andererseits aber dafür zu sorgen, daß im Tief-, Mittel- und Hochtonbereich die Musikleistungen gleichbleibend 90 Watt erreichen. Die akustischen Vorteile sind bei impulshaltiger Musik mit hoher Dynamik deutlich hörbar.In Abb. 5 sind die Leistungsveränderungen in Abhängigkeit von der Pulsdauer grafisch dargestellt. 
TIEFTONLAUTSPRECHER (TC 200)
Der Tieftonverstärker betreibt zwei parallel geschaltete Tieftonlautsprecher mit je 200mm Durchmesser und ca. 4 Ohm, die zusammen ca. 2 Ohm Impedanz ergeben. Es handelt sich um weich aufgehängte Langhubsysteme, die ein geschlossenes Luftpolster benötigen. Als Membran fand ein besonders verfärbungsarmer Werkstoff Verwendung.
Anmerkung: Der maximalen Dauerleistung der Endstufen bei 2 Ohm stehen doch einige Nachteile gegenüber, die auf anderen Seiten beschrieben werden.
Die Wickelhöhe der Schwingspule auf Alu-Trägermaterial beträgt ca. 20 mm. Sie ist nach akustischen Gesichtspunkten optimal dimensioniert worden, weil auf Impedanzgrenzwerte nach DIN 45500 keine Rücksicht genommen werden muß. Deshalb steht bei den vorhandenen Leistungen von 50-70 Watt Sinus bzw. 100 Watt Musik eine akustische Leistung zur Verfügung, die mit einem Lautsprecher von 2 Ohm Impedanz bei dieser Konzeption kaum erreichbar ist.
Durch das geringe Nettovolumen von 25 Litern ist für zwei 200mm Lautsprecherchassis die Luftpolstersteife höher als bei vergleichbaren rein passiven Einheiten. Die Resonanzfrequenz wird also wesentlich durch die Luftpolstersteife bestimmt. Daher konnte die Federsteife der Zentrierung erhöht werden, was den gefürchteten Taumelbewegungen oder dem instabilen Verhalten von Langhubsystemen bei großen Amplituden entgegenwirkt.
Die Eigenresonanz
Die verhältnismäßig hohe Tiefton-Eigenresonanz von 60 Hz wird durch den sehr niederohmigen Endverstärker wirksam bedämpft. Der Übertragungsbereich in den Tiefen ist durch eine leichte Entzerrungsschaltung ( ?? Anmerkung: welche Entzerrung ??) erweitert worden. Die konsequente Optimierung der Endstufen und der Lautsprecherchassis erübrigen eine Bewegungs-Gegenkopplung. 
- (Anmerkung: Bei der Canton Ergo Aktiv wurde solch eine Gegenkopplungstechnik angewendet. Die Canton Entwickler haben sich davon doch Einiges versprochen. Bei dem aktiven Basslautsprecher der Infinity Servo Static wurde 10 Jahre früher auch schon solch eine Technik angewendet.)
 
Ein weiteres Kriterium für eine Verschlechterung der Tieftonwiedergabe sind Hohlraum- resonanzen im verwendeten Gehäuse. Sie vermischen sich mit den akustischen Kenndaten der Tieftonlautsprecher und beeinflussen entscheidend die Wiedergabequalität; auch die Größe der Schallwand und die Anordnung der Lautsprecher auf der Schallwand beeinflussen den Klangcharakter.
Beim P7302 SLV/K ist es uns gelungen, unter Berücksichtigung aller o.g. Kriterien eine günstige Kombination zu finden, die verantwortlich für die hohe Tieftonqualität ist.
Anmerkung : Das ist natürlich der Stand von 1982, als die allermeisten Boxen noch vollsymmetrische rechteckige Gehäuse hatten, die innen aufwendig versteift waren. Als wir in 2010 bei Canton kurz in der Entwicklung schnuppern durften, haben wir gesehen, wie am Computer (also am PC) nahezu resonanzfreie Gehäuse verschiedenster Größe simuliert wurden und auf Wunsch die Fräs- und Bohranleitungen gleich mit ausgedruckt werden konnten.
.
KALOTTEN-MITTELTONLAUTSPRECHER (KMC51)
Ausgehend von der Tatsache, daß für die Verfärbungsarmut einer Lautsprecherkombination vor allem die Mittellagen ein entscheidendes Kriterium darstellen, ist bei dem hier eingesetzten 50 mm-Mittelton-Kalottenlautsprecher auf besonders ausgeglichenen Schalldruckverlauf und niedrige Gesamtverzerrung geachtet worden. Außerdem besitzt dieser Lautsprecher eine geringe bewegte Masse und eine hohe innere Dämpfung.
Bei häufig praktizierten Abhörlautstärken, z. B. 86 dB in 3 m Hörentfernung, liegen K2 und K3 im Übertragungsbereich unter 0,5%. Die Übernahmebereiche zum Tiefton- bzw. Hochtonteil sind so gestaltet worden, daß die Schalleistungskurve - im Hallraum gemessen - keine ausgeprägten Einbrüche aufweist; das gleiche gilt für den Schalldruckverlauf im akustisch abgestimmten Hörraum oder Freifeld.
Der wirksame Übertragungsbereich ist hauptsächlich durch die Auslegung der aktiven Weiche festgelegt und liegt zwischen 250 Hz und ca. 3 kHz. Durch die besondere schaltungstechnische Auslegung der Mittelton-Endstufe ist der Lautsprecher thermisch geschützt, weil er - je nach Betriebsdauer und Art des Signals - zwischen 20 Watt Dauer und 90 W Impuls belastet wird.
KALOTTEN-HOCHTONLAUTSPRECHER (KHC 25)
Um pulsartige Klänge mit möglichst unverfälschtem Obertonspektrum wiederzugeben, sind Hochtonlautsprecher mit sehr geringer bewegter Masse und kräftigen Magneten notwendig. Kalotten-Hochtonlautsprecher erfüllen aufgrund ihrer konstruktiven Gegebenheiten in idealer Weise o.g. Forderung. Der im P 7302 SLV/K eingesetzte Hochtonlautsprecher besitzt ein Schwingteil von ca. 200 mg bewegter Masse. Da bei der Abstrahlung hoher Frequenzen kaum nennenswerte mechanische Hübe der Membran auftreten, lassen sich Magnete mit extrem hoher Feldstärke herstellen, da sich die Schwingspule trotz einer Polplattenstärke von nur 2,5 mm immer im homogenen Magnetfeld befindet.
Hervorzuheben ist die für einen Hochtöner ungewöhnlich weiche mechanische Aufhängung. Die extrem niedrige Eigenresonanz von 1 kHz wird hauptsächlich durch das eingeschlossene Luftvolumen zwischen Kalottenmembran und Magnetinnenteil erreicht - die Kalotte wird also durch ein federndes Luftpolster bedämpft. Auch die Klirrfaktorwerte sind mit denen des KMC 51 durchaus vergleichbar.
Die Hochtonendstufe ist aufgrund ihrer schaltungstechnischen Auslegung in der Lage, den KHC 25 thermisch zu schützen. Je nach Betriebsdauer und Art des Signals wird er mit ca. 10 Watt Dauer und 90 Watt Impuls belastet.
ERLÄUTERUNGEN ZU DEN TECHNISCHEN DATEN
Obgleich die gehörmäßige Beurteilung eines Lautsprechers am Aufstellungsort einen sehr hohen Stellenwert einnimmt, ist die Erfassung wichtiger technischer Merkmale durch verschiedenartige Meßverfahren eine unabdingbare Forderung. Deshalb sind in der Studiotechnik Richtwerte gesetzt worden, die der Studio-Abhörmonitor P 7302 SLV/K ausnahmslos einhält. Als Meßräume werden Freifeld oder schalltoter Raum, Hallraum und der Einsatzraum des Lautsprechers herangezogen.
Technische Daten
STUDIO-MONITOR P7302 SLV/K - Blatt 1
Maximaler Schalldruckpegel :
| Messung im reflexionsarmen Raum in 2 m Abstand, 15,5 cm unterhalb Mitte Oberkante des Lautsprechers | ||
| bei Vollaussteuerung mit Sinus-Wobbelton | 1000Hz ± 100Hz | 96dB | 
| Eingangsspannung: + 6 dBm = 1,55 Veff | typisch | 98dB | 
Frequenzgang des Übertragungsmaßes
| Messung im reflexionsarmen Raum in 2 m Abstand, boxenmittig, | ||
| in der Senkrechten des Kalotten-Mitteltonchassis, | ||
| Eingangsspannung 200 mV, Rosa Rauschen, Messung über Terzfilter, | ||
| rastende Mittenstellung der drei frontseitigen Pegelsteller | ||
| a) innerhalb des angegebenen Freifeld-Übertragungsmaß-Toleranzfeldes | ||
| (siehe Diagramm oben drüber) | ||
| b) bezogen auf den Schalldruckpegel | ||
| bei f = 1 kHz von 70 Hz bis 12,5 kHz | +-3db | |
| Harmonische Verzerrungen | ||
| Messung im reflexionsarmen Raum in 2 m Abstand mit Sinussignalen oberhalb 300 Hz bei einer Eingangsspannung, die bei f = 1 kHz einen | ||
| Schalldruckpegel von 80 dB erzeugt | K2 | =1 | 
| typisch | =0,5% | |
| K3 | =0,5% | |
| typisch | =0,3% | 
Technische Daten
STUDIO-MONITOR P7302 SLV/K Blatt 2
| Bündelungsmaß | ||||
| Empfohlene Eingangsspannung: 200 mV | ||||
| Meßsignal: | Rosa | Rauschen | ||
| 50 Hz | bis 8 kHz | 6 ± 2 | ||
| 50 Hz | typisch | 8 | ||
| 100 Hz | typisch | 6 | ||
| 1 kHz | typisch | 5 | ||
| 2 kHz | typisch | 8 | ||
| 4 kHz | typisch | 6 | ||
| 8 kHz | typisch | 8 | ||
| 10 kHz | typisch | 10 | ||
| Eingangsempfindlichkeit | ||||
| Messung bei Vollaussteuerung | +6 | dBm | ||
| 1,55 | Veff | |||
| Eingangswiderstand | ||||
| Innerhalb 40 Hz bis 15 kHz | >3 | |||
| typisch | >4,5 | kOhm | ||
| Eingangssymmetrie | ||||
| f =15 kHz | > 60 | |||
| typisch | > 70 | dB | ||
| Eigenstörgeräusch | ||||
| Messung im reflexionsarmen Raum in 5 cm Entfernung von der Frontfläche | max. 32 | |||
| Pegelsteller auf größte Eingangsempfindlichkeit gestellt | typisch | 30 | dBA | |
| Netzanschlußdaten | ||||
| Nenn-Betriebsspannung | 220 | Volt~ | ||
| Stromaufnahme | Un=220V | < 100 | mA | |
| Leistungsaufnahme (Vollaussteuerung) | Un=220V | 120 | VA | |
| Isolationswiderstand | typisch > | 10 | MOhm | |
| Schutzleiterwiderstand | typisch < | 300 | mOhm | |
| Ableitstrom | typisch | 0,1 | mA | |
| Abmessungen | ||||
| Höhe Breite Tiefe | 650 | x 360 | x 270 | mm | 
| Gewicht (unverpackt) | 29 | kg | ||
| Ausfertigungsdatum: April 1981 | 
SERVICE-HINWEISE
Das BEDIENTEIL
Der Studio-Abhörmonitor P7302 SLV/K wird nach den Erfordernissen der Rundfunkanstalten im Werk abgeglichen (Pegelverlauf siehe Techn. Datenblatt). Die Trimmpotentiometer sind mit Acrylglas abgedeckt, um einmal eingemessene und eingestellte Werte nur im Bedarfsfall zu verändern.
Die Bedienteile werden mit mechanisch fest verbundenen Verstärkereinschüben gemeinsam eingemessen und dürfen daher nicht vertauscht werden. Bei einem evtl. Potentiometeraustausch muß ein neuer Abgleich vorgenommen werden.
SERVICE-HINWEISE
Austausch der Lautsprecherchassis:
Die Lautsprecher sind von vorne auf die Schallwand montiert. Zum Ausbau der Chassis wird der Rahmen nach vorne abgezogen. Der Rahmen ist mit Druckknöpfen befestigt.
Die Box ist auch nach Abnahme des Frontrahmens voll funktionstüchtig.
Jetzt können die Chassis ausgebaut werden. Bei Neuanschluß der Chassis ist auf die richtige Polarität zu achten. Der "Plus"-anschluß ist gekennzeichnet.
Ausbau des Verstärkers:
Zum Ausbau des Verstärkers werden die beiden Kreuzschlitzschrauben rechts und links an der Verstärkerrückwand herausgedreht. Dann wird der Verstärker ganz herausgezogen.
Anmerkung: Die Lautsprechersteckverbinder sind jetzt fest montiert und im Gehäuse und am Verstärker optimal angebracht. Früher musste man die von Hand stecken. Die Front-Pegelsteller sind ebenfalls an der Endstufe angebracht und müssen auch nicht mehr separat gesteckt werden.
Einbau des Verstärkers:
Jetzt wird der Verstärker so weit wie möglich eingeschoben. In den Einschubschienen sind Gummipuffer eingearbeitet, gegen deren Widerstand der Verstärker festgeschraubt wird. 
Dadurch ist der Einschub an vier Punkten mechanisch fest verankert. Der elektrische Kontakt ist dann automatisch hergestellt.
ENDSTUFEN - Fehlersuche:
Anmerkung / Ergänzung : Beim Erkennen von irgendwelchen Defekten der gesamten Box erst mal die Verstärkereinheit ausbauen !
Mit einem Vielfachmeßgerät (Gleichspannungsmeßbereich 30 V) wird der jeweilige Endverstärkerausgang überprüft. Zeigt das Instrument eine Spannung von ±0,5V bis ±30V= an, so ist die gemessene Endstufe defekt.
Anmerkung: Das ist natürlich leicht gesagt. Liefert einer der Verstärker bereits 30V Gleichspannung, ist das zugehörige Chassis schon mal "dahin". Das hält nämlich keine Schwingspule aus. Und soetwas riecht man !!!! Die Ersatzteilliste von 1981 steht ganz unten.
Weiter im Handbuch:
Das einzelne Endstufenmodul wird ausgebaut (Lösen der Kühlklemmenschraube und Abziehen von der Basisplatine, da das Modul gesteckt ist). Zunächst überprüfe man die Transistoren des Differenzverstärkers T 201 und T 202 (entsprechend T 301, T 302 bzw. T 401, T 402). Sollte einer dieser Transistoren defekt sein, so sind in jedem Falle beide Transistoren zu tauschen. Nun überprüfe man auch die übrigen Halbleiter des Moduls sowie die Kollektorwiderstände von 0,1 Ohm.
Hinweis:
Auch bei Defekt nur eines der beiden Endtransistoren sind beide auszutauschen. Bei der Montage die Wärmeleitpaste nicht vergessen und darauf achten, daß die Glimmerscheibe sich noch auf dem Kühlkörper befindet. Nach dem Wiedereinbau ist (wieder) zu überprüfen, ob die Ausgangsspannung am Lautsprecherstecker 0 Volt beträgt, sonst liegt ein weiterer Defekt vor.
Mit einem empfindlicheren Instrument (heute ein normales Digitalvoltmeter) stellt man nun mit Hilfe von Trimmpoti R421 (entsprechend R 221 und R 321) die Ausgangsoffsetspannung auf 0 mV (max. ± 5 mV), bei Mittel- und Hochtonendstufe auf ± 10 mV oder besser. (Anmerkung : das nennt man Balancing)
Jetzt überprüfe man den Ruhestrom der Tieftonendstufe, er soll zwischen 15-20 mA betragen. Sollte er korrigiert werden müssen, so betätigt man Trimmpoti R 413 (entsprechend R 213, R 313). 
Der Ruhestrom der Mittel- und Hochtonendstufe ist durch Messung des Spannungsabfalls an R 221 (entsprechend R 321) festzustellen. Die gemessene Spannung soll betragen:
an R 221 (Hochton) 0,36 V bis 0,38 V
an R321 (Mittelton) 0,2 V bis 0,22 V.
Alle Messungen und Einstellungen werden ohne Ausgangslast durchgeführt. Erst wenn alle Ruheströme und Offsetspannungen richtig abgeglichen sind, darf der Lautsprecherstecker wieder eingesteckt werden.
Die in diesem Gerät verwirklichte Modulbauweise ermöglicht einen besonders rationellen Reparaturservice:
Ein defektes Modul kann bei Bedarf im Austauschverfahren von Heco angefordert werden. Die Fehlersuche beschränkt sich auf die Lokalisierung des Moduls.
ERSATZTEILLISTE SLV/K mit Modul-Endstufe
| Bezeichnung | Bestell-Nr. | 
| Frontrahmen komplett | 0.32.305.1 | 
| Basisstufe (Grundgerät mitNetzteil) | 0.06.001.0 | 
| Steuerstufe mit Eingangsübertrager | 0.29.513.0 | 
| Tieftonfilter | 0.06.150.1 | 
| Mitteltonfilter | 0.06.200.1 | 
| Hochtonfilter | 0.06.250.1 | 
| TT-Endstufe | 0.06.300.0 | 
| M/HT-Endstufe | 0.06.350.0 | 
| Baßchassis TC 200 (nicht TC204) | 1.01.110.0 | 
| Mitteltonchassis KMC 5 | 11.01.064.0 | 
| Hochtonchassis KHC 25 (Grilamid) | 1.01.091.0 | 
Hier noch einmal die Coverseite 11/1981
Diese Broschüre vom November 1981 wurde von uns mit Bildern der P7302 SLV/K2 und SLV ergänzt. Der Verkauf dieser Monitoren hat sich danach vermutlich auf wenige Exempare zur Nachrüstung bzw. als Ersatz reduziert. Es gab noch einmal ein doppelseitges A4 Blatt vom April 1982 mit geringfügigen Modifikationen und einem Richtdiagramm, dann war diese Typenreihe zu Ende.




































