Zurück ins Jahr 1987 - Über die symmetrische Übertragung von analogen Audio-Signalen bei den Studio-Profis
In der Tonstudiotechnik gehen die Uhren anders, selbst im Jahr 2012 gehen die Uhren noch anders als bei den Hifi-Freaks Zuhause. In der Studiotechnik kommt Verläßlichkeit und Sicherheit vor unliebsamen Überraschungen - und vor allem immer vor der absoluten Super-High-End Qualität.
Ortsnahe Beispiele sind die beiden (Sportstudio-) Fernsehstudios im ZDF Rundbau auf dem Lerchenberg, die nicht nur schalltechnisch perfekt isoliert sind, sondern auch HF- einstrahlungsdicht gemacht wurden - mit ganz dicken Türen und aufwendiger Abschirmung.
Nichts ist schlimmer, als einen "Brumm" zu suchen oder wenn irgendwo ganz leise der lokale Rundfunk zu hören ist.
Dann nämlich stimmt etwas in der Ton-Verkabelung nicht. Wir vom Hifi-Museum haben aus den Rundfunk- anstalten jede Menge an analogen Audiokabeln geerbt und waren dabei, als hunderte von Kilometern (wir haben sie nicht gezählt, aber es war wirklich viel) an geschirmten zweiadrigen Kabeln "entfernt" bzw. "entsorgt" wurden.
Auch Tuchel- und XLR Stecker (und Buchsen) haben wir inzwischen kiloweise hier. In den Rundfunkstudios ist im Jahr 2012 so gut wie alles digitalisiert und somit in dieser Hinsicht problemfrei umgebaut worden.
Die gesamte Verkabelung in den Sendern ist weitgehend auf Glasfaser umgestellt, sodaß gigantische Bandbreiten verfügbar sind. Dennoch wollen wir hier einen sehr fundierten Artikel aus der ELRAD von 1987 darstellen und kommentieren.
.
Symmetrische Signalübertragung
Grundlagen und Schaltungen
Teilweise aus der ELRAD 1987 Heft 7/8 - Der Begriff "Symmetrie" ist in der professionellen Audio-Technik bestens bekannt. Welche Vorteile die Symmetrierung bietet und mit welchen Mitteln diese ausgeführt werden kann, ist Inhalt dieses Beitrags.
.
Zum Beispiel die Hifi-Heimanlage
Die einzelnen Komponenten einer Heim-Hifi-Anlage wie z.B. Vor- und Leistungverstärker sind üblicherweise mit abgeschirmten Leitungen entsprechender Länge verbunden (Bild 1). Der Innenleiter ist die "heiße" Leitung, die äußere Abschirmung verbindet die Massepunkte der Elektronik beider Geräte.
Diese Verbindungsart wird als "unsymmetrisch" bezeichnet. Sie funktioniert recht gut, solange die beiden zu verbindenden Geräte nicht allzuweit voneinander entfernt sind und die Verbindungsleitung nicht unmittelbar an elektrischen Störquellen vorbeigeführt wird. Die Abschirmung bietet dem Innenleiter zwar einen gewissen Schutz, doch ein starkes Wechselstrom-Störfeld wie z.B. das magnetische Streufeld eines Transformators schlägt auf den Innenleiter durch und erzeugt im Verstärker ein lästiges Brummsignal.
Das Brummsignal
Dieses Problem tritt vor allem dann auf, wenn auf den Leitungen sehr geringe Signalspannungen stehen (z.B. von einem dynamischen Mikrofon) und die nachfolgende Verstärkung sehr hoch ist. Als Beispiel sei die Verbindung zwischen einem Mikrofon und einem Mischpult genannt, in dem jedes über das Mikrofonkabel eingefangene Störsignal um bis zu 60 dB verstärkt wird.
Ein Weg, die Störeinflüsse zu minimieren, besteht darin, die Leitungsimpedanzen so gering wie möglich zu halten und die übertragenen Spannungen möglichst hoch zu wählen. Falls der der Leitung vorgeschaltete Verstärker eine sehr geringe Ausgangsimpedanz aufweist - weniger als 1 Ohm ist mit Operationsverstärkern durchaus erreichbar - liegt der Innenleiter einer angeschlossenen abgeschirmten Leitung praktisch auf Masse, so daß äußere Störfelder einen nur geringen Einfluß haben.
Dieses Prinzip funktioniert bis zu etwa 30m Leitungslänge bei nicht zu starken äußeren Störfeldern durchaus zufriedenstellend. Bei sehr langen Leitungen macht sich allerdings der Leitungswiderstand bemerkbar, und die Leitungsimpedanz nimmt zu, je weiter man sich von dem einspeisenden Verstärker entfernt. In manchen Fällen ist es auch nicht möglich, eine Ausgangsimpedanz von nahezu Null zu erzielen.
Symmetrie bei Mikrofonen
Die Impedanz eines typischen dynamischen Mikrofons beträgt etwa 200 Ohm. Einige Verstärker mit passiven Lautstärkestellern oder passiven Frequenzgang- Korrekturgliedern hinter der Ausgangsstufe weisen Ausgangsimpedanzen von einigen Kiloohm auf. Das sind "ideale" Bedingungen, um bereits bei ein paar Metern Leitungslänge Störspannungen "einzufangen".
Häufig sind Mikrofone einige hundert Meter vom Verstärkereingang entfernt. Die Signalspannungen liegen meistens bei 1mV oder weniger. Da das Mikrofonsignal möglichst unbeeinflußt am Verstärker ankommen soll, muß ein Verfahren gesucht werden, das das Eindringen von Brummen, Rauschen oder Hochfrequenz in den Verstärkereingang verhindert. Dieses Verfahren heißt "Symmetrierung".
Über das Innenleben eines Mikrofons
Der einfachste Weg, die Wirkungsweise einer symmetrischen Verbindung zwischen Signalquelle und Verstärkereingang zu verstehen, ist die Betrachtung des Innenlebens eines dynamischen Mikrofons. Es enthält eine extrem dünne Folienmembran, die mechanisch mit einer sehr leichten Spule gekoppelt ist. Die Spule kann sich im Feld eines kräftigen Permanentmagneten frei bewegen.
Treffen Schallschwingungen auf die Membran, beginnt sie sich im Rhythmus dieser Schallschwingungen zu bewegen, so daß in der Spule eine den Schallschwingungen proportionale Spannung erzeugt wird. Die beiden Enden der Spule führen an die Ausgangsbuchse des Mikrofons (Bild 2), wobei die Ausgangsspannung mit einer Phasendifferenz von 180° zwischen den beiden Kontakten anliegt.
Blick auf den Verstärkereingang
Betrachtet werden soll nun die Eingangsschaltung eines Verstärkers, die als "Differenzeingang" bezeichnet wird und die durch die Transformator-Anordnung nach Bild 3 gegeben ist. Um eine Ausgangsspannung erzeugen zu können, müssen am Trafoeingang zwei Signale anliegen, die in jeder Hinsicht identisch, aber um 180° phasenverschoben sind.
Und das ist genau das, was das Mikrofon liefert. Verbindet man die beiden Mikrofonausgänge mit den Trafoeingängen, hat man eine symmetrische Schaltung hergestellt.
In der Praxis sind die beiden Leitungen von einer Abschirmung umgeben, die im vorliegenden Beispiel das Metallgehäuse des Mikrofons mit dem Masseanschluß des Verstärkers verbindet. Diese Schaltung ist in Bild 4 zusammen mit einer dem Trafo nachgeschalteten Verstärkerstufe dargestellt.
Der Unterschied zwischen unsymmetrisch und symmetrisch
Worin besteht nun der Unterschied zwischen einer unsymmetrischen und einer symmetrischen Schaltung ?
Falls das Verbindungskabel zwischen einem symmetrischen Ausgang und einem symmetrischen Eingang irgendwelche Störsignale aufnimmt, erscheinen diese unerwünschten Störsignale auf beiden Leitungen mit gleich hoher Spannung und, was noch wichtiger ist, mit gleicher Phasenlage.
Da aber ein symmetrischer Eingang zwischen seinen beiden Eingängen 180° Phasenverschiebung erfordert, werden alle nichtgegenphasigen Signale durch die Differenzbildung des symmetrischen Einganges eliminiert (ausgelöscht).
Das trifft natürlich und insbesondere auch für die unerwünschten Brumm-, Rausch- und sonstigen auf der symmetrischen Leitung ankommenden Störsignale zu. Die Fähigkeit eines symmetrischen oder Differenzeingangs, unerwünschte Signale zu unterdrücken, wird "Gleichtaktunterdrückung" genannt (CMRR = Common Mode Rejection Ratio). Bei sorgfältigem Aufbau lassen sich ohne weiteres 80... 90 dB Gleichtaktunterdrückung über die gesamte Nf-Bandbreite erzielen.
Übertrager für Nf-Anwendungen
Der Begriff "Niederfrequenz Übertrager" ist historisch gewachsen und stammt aus der Gründerzeit der Audiotechnik. Ein Übertrager ist im Grunde nichts anderes als ein Transformator, der allerdings spezielle Eigenschaften aufweist. Er bietet die besten Grundlagen zur Isolation und Gleichtaktunterdrückung zwischen zwei Schaltkreisen und ist in nahezu jeder beliebigen Audio-Anwendung einsetzbar.
Bild 5 vermittelt den fundamentalen Zusammenhang zwischen Spannungsverhältnis, Impedanzverhältnis und Windungszahlverhältnis. Der Übertrager bietet die einzigartige Eigenschaft der Impedanztransformation, weil die Eingangs- und Ausgangsleistungen gleich sein müssen (Voraussetzung: verlustloser Übertrager). Liegt z.B. ein 1kOhm Widerstand an der Primärwicklung eines idealen 1:2-Übertragers (Aufwärts-Transformation) und mißt man die Impedanz an der Sekundärwicklung, so erscheint dort eine Impedanz von 4 kOhm.
Die Vorteile des Übertragers
Übertrager ermöglichen auf einfache Art und Weise Impedanzanpassungen zwischen elektronischen Schaltkreisen (Verstärkern) mit unterschiedlichen Impedanzen, beispielsweise zwischen einem niederohmigen Mikrofon und dem angeschlossenen Vorverstärker.
Das Impedanzverhältnis ist eine gebräuchliche Spezifikation vieler Nf-Übertrager; es entspricht dem Quadrat des Windungszahlverhältnisses. Ein Übertrager mit einer Impedanztransformation 600 Ohm : 10 kOhm weist somit ein Windungszahlverhältnis von 1:4,08 auf. Die Spannungsverstärkung beträgt 12,2 dB. Die angegebenen Impedanzwerte sind grundsätzlich die Nominalwerte für Quellen- und Lastwiderstand, mit denen der beste Frequenzgang erreicht wird. Der beste Störabstand wird ebenfalls nur dann erreicht, wenn eine optimale Leistungsanpassung zwischen Quelle und Last gegeben ist.
Diese Aussage ist so gut wie für alle Übertrager wichtig.
Die Nachteile des Übertragers
Übertrager haben allerdings auch Nachteile: Sie weisen eine Bandpaßcharakteristik auf und erzeugen durch die Magnetisierungskennlinien des verwendeten Eisenkerns zusätzliche Verzerrungen. Es ist sicher nicht weiter verwunderlich, daß Übertrager seit Einführung der Transistoren und der integrierten Schaltungen etwas in den Hintergrund gedrängt wurden.
Viele im Nf-Gebiet und auf dem Audio-Sektor tätige Ingenieure haben jedoch aus ihren Erfahrungen gelernt, daß wesentlich unangenehmere Übertragungsprobleme zu bewältigen sind als einen Gesamtklirrfaktor von 0,001% oder eine Übertragungsbandbreite von Gleichspannung bis hin zu Mikrowellen zu erzielen.
Ersatzschaltbild eines Übertragers
Bild 5 zeigt ein vereinfachtes Schaltbild einer typischen übertragergekoppelten Schaltung. Wichtig ist die Kenntnis der Zusammenhänge, wie die Elemente der Sekundärseite inklusive der Lastimpedanz als Funktion des Windungszahlverhältnisses auf die Primärseite transformiert oder reflektiert werden. Der ohmsche Widerstand der Wicklung läßt sich nun einmal nicht vermeiden. Die Streuinduktivität einer Windung wird durch den geringfügigen Anteil des magnetischen Flusses repräsentiert, der nicht mit den anderen Windungen verkoppelt ist. Außerdem existiert zwischen den einzelnen Windungen auch noch eine kapazitive Komponente.
Erst kommt der Frequenzgang
Der Frequenzgang wird durch den komplexen Zusammenhang von Streuinduktivität, Windungskapazität sowie Quell- und Lastimpedanzen bestimmt. Um einen Übertrager mit einem vorgegebenen Frequenzgang zu entwerfen, kommt man heute ohne computergestützte Analysetechniken nicht mehr aus.
Durch die Induktivitäten und Kapazitäten ergeben sich Resonanzfrequenzen, die Einschwingvorgänge und im Hörbereich das gefürchtete "Klingeln" hervorrufen. Die Streuinduktivität hängt von der Wicklungsanordnung ab und kann von Fall zu Fall sehr stark schwanken. Das gilt vor allen Dingen für sehr einfache und billige Nf-Übertrager.
Die Herstellung eines hochqualitativen Nf-Übertragers ist mit der Herstellung eines sehr guten Weines vergleichbar - beide erfordern eine sehr sorgfältige Zusammenstellung der Zutaten und die Beachtung wichtiger Details.
Was bedeutet die Induktivität

- Bild 6. Ersatzschaltbild eines typischen Transformators mit Quell- und Lastimpedanz. Die äquivalente Wechselstromschaltung wird von der Quelle her gesehen. Rl, LI, Cl und R2, L2, C2 sind die Ersatzgrößen der Primär-und Sekundärseite. Man beachte die durch das Windungszahlverhältnis hervorgerufene sekundäre Abschlußimpedanz. L(Kern) begrenzt die untere übertragbare Frequenz auf typisch 1 ... 1000 Hz.
Die vom Eingang her gesehene Induktivität des Übertragers begrenzt die untere Grenzfrequenz (Bild 6). Diese Induktivität wird von dem durch die Primärwicklung erzeugten magnetischen Fluß hervorgerufen. Die Induktivität ist näherungsweise dem Quadrat der Windungszahl und der relativen Permeabilität des Eisenkerns proportional.
Die relative Permeabilität ist eine Größe für die magnetische Flußdichte in einem magnetischen Material. Die meisten ferromagnetischen Legierungen weisen Werte zwischen 1000 bis 100.000 auf, d.h. die magnetische Flußdichte ist um den angegebenen Wert größer als die Flußdichte des leeren Raums bei einer konstanten vom magnetischen Fluß durchsetzten Fläche. Leider weisen alle diese magnetischen Kernmaterialien gewisse Sättigungseffekte auf, die hauptsächlich durch den relativ scharf ausgeprägten Knick im Kurvenverlauf der relativen Permeabilität oberhalb einer bestimmten kritischen magnetischen Flußdichte bedingt sind.
Kritisch ist auch der Klirrfaktor

- Bild 7. Die Spannung pro Windung ist proportional zur Flußänderungsgeschwindigkeit. Der Spitzenwert des magnetischen Flusses ist umgekehrt proportional zur Signalfrequenz und zur Anzahl der Windungen einer Wicklung. Man beachte die Phasenverschiebung von 90° zwischen dem magnetischen Fluß und der Spannung.
Die für einen Übertrager angegebenen Signalspannungen sind im allgemeinen Maximalwerte, die ohne Überschreiten eines definierten Klirrfaktors übertragen werden können. Typisch ist eine Spezifikation bei 20 Hz Signalfrequenz und 1 ... 3% Klirrfaktor.
Bild 7 vermittelt einen Eindruck, wie der magnetische Fluß in dem Eisenkern gegenüber der angelegten Spannung phasenverschoben ist. Gleichzeitig ist auch der Zusammenhang zwischen Signalfrequenz und Fluß dargestellt. Weil der Spitzenwert des magnetischen Flusses umgekehrt proportional zur Signalfrequenz ist, verringert sich bei einer Signalfrequenz von 0 Hz die maximal anlegbare Spannung auf Null.
Fährt man den Übertrager in die Sättigung, verschwinden die in Bild 6 dargestellte hohe Kerninduktivität sowie die von der Sekundärseite reflektierte Impedanz gänzlich. Die Eingangsimpedanz des Übertragers erniedrigt sich, sie wird nur durch den Wicklungswiderstand und die Streuinduktivität der Primärwindung begrenzt. Dadurch treten auf der Primärseite Strombegrenzungseffekte und andere technisch unangenehme Erscheinungen auf.
Der Eingangsübertrager
Eingangsübertrager werden auf Isolation und Gleichtaktunterdrückung hin optimiert. Es gibt sie in zwei unterschiedlichen Kategorien, die vom Signalpegel abhängen. Die Übertrager zur Verarbeitung niedriger Signalpegei dienen beispielsweise zur Ankopplung eines Mikrofons oder einer anderen Signalquelle mit geringer Impedanz und geringer Ausgangsspannung.
.
Der Vorteil eines Eingangsübertragers besteht darin, daß er nicht nur eine Impedanztransformation, sondern auch eine Spannungstransformation vornimmt. Übliche Werte für die Spannungstransformation sind 1:2 bis 1:10 (+6... +20dB). Die maximalen Eingangspegel liegen typisch bei -10 ... +8 dBm (0 dBm entspricht einer effektiven Eingangsspannung von 0,775V). Übertrager für hohe Signalpegel können Pegel bis zu +30 dBm verarbeiten; sie dienen hauptsächlich als Leitungsübertrager mit einem Übersetzungsverhältnis von 1:1 oder geringfügig höheren Werten wie z.B. 2:1.
.
Verbesserung mit einer Abschirmung

- Bild 8. Eine statische Abschirmung eliminiert die Kapazität zwischen den Wicklungen und erhöht die Isolation gegenüber der Störspannung U(stör). Durch diese Maßnahme erreicht man Gleichtaktunterdrückungen bis zu 130dB bei 60Hz. Ohne die statischen Abschirmungen wird ein Teil der Störspannung U(stör) in den Lastwiderstand R(Last) eingekoppelt.
Eingangsübertrager enthalten normalerweise eine oder mehrere statische Abschirmungen, um die Isolation und die Gleichtaktunterdrückung zu verbessern. Zur statischen Abschirmung ist im allgemeinen eine Kupferfolie zwischen Primär- und Sekundärwicklung angeordnet, die geerdet werden kann. Dadurch vermindert sich die kapazitive Kopplung zwischen Primär- und Sekundärwicklung erheblich. Die Kupferfolie läßt sich natürlich auch durch eine andere dünne Metallfolie, z.B. aus Aluminium, oder durch eine einlagige Wicklung ersetzen.
Bild 8 verdeutlicht, wie diese Abschirmung die Kapazität zwischen Eingangs- und Ausgangswicklung aufhebt und das Einkoppeln von Gleichtaktsignalen in den Lastwiderstand erheblich vermindert. Zwei Abschirmungen bieten optimale Eigenschaften, wobei jede Abschirmung an der zugehörigen Seite geerdet werden muß (Eingangsabschirmung auf der Primärseite, Ausgangsabschirmung auf der Sekundärseite). Zusätzlich bildet die Kapazität der Abschirmungen mit der Streuinduktivität des Übertragers ein sehr wirksames Filter gegen Hf-Einstreuungen.
Ein optimaler Eingangsübertrager
Ein optimal ausgelegter Eingangsübertrager mit statischer Abschirmung bietet eine beinahe unübertreffbare Gleichtaktunterdrückung. Typische Werte sind 130dB bei 60Hz und bis zu 80dB bei 20kHz. Diese Werte übertreffen häufig weit die Eigenschaften von transformatorlosen Eingangsschaltungen. Ein übertragergekoppelter Eingang weist auch nicht die Unzulänglichkeiten der Gleichtaktunterdrückung auf, wie sie oft bei elektronisch symmetrierten Eingangsschaltungen anzutreffen sind.
Das Übertragungsverhalten für hohe Frequenzen ist bei einem Übertrager für niedrige Signalpegel in besonderem Maß von Änderungen der Quell- und Lastimpedanzen abhängig. Das gilt bei der Aufwärtstransformation speziell für die Quellimpedanz und die Lastkapazität.
Finetuning bei Übertragern
Manche Hersteller von Übertragern schlagen auf der Sekundärseite RC-Kompensationsnetzwerke vor, um einen bestmöglichen Frequenzgang zu erzielen. Leitungen weisen im allgemeinen eine recht hohe Kapazität auf und sollten ausschließlich auf der Seite der niedrigen Impedanz des Übertragers angeschlossen werden, um eine Beschneidung der höherfrequenten Signalanteile zu vermeiden.
Eingangsübertrager befinden sich meistens innerhalb eines magnetisch geschirmten Gehäuses, um den Einfluß magnetischer Störfelder zu minimieren. Zur magnetischen Abschirmung dient normalerweise eine Nickel-Eisen-Legierung, die durch eine spezielle Wärmebehandlung in ihren magnetischen Eigenschaften optimiert wurde. Das Anlöten irgendwelcher Kabel ans Gehäuse, Bohren von Schraubenlöchern oder ähnliches Bearbeiten des Gehäuses sollte tunlichst vermieden werden, um die Wirksamkeit der magnetischen Abschirmung nicht zu verschlechtern.
Ausgangs-Übertrager allgemein
Ausgangsübertrager - hier sind nicht die alten, großen, schweren Übertrager von Röhrenverstärkern gemeint - sind als Leitungstreiber optimiert. - Die wichtigste Größe eines Ausgangsübertragers ist die maximal zulässige Signalspannung. Dieser Maximalwert hat einen erheblichen Einfluß auf die Quell-und Lastimpedanzen, da sie die niederfrequenten Verzerrungen beeinflussen.
Bifilar, Trifilar und Quadfilar
Ausgangsübertrager unterscheiden sich von den Eingangsübertragern sowohl in konstruktiver Hinsicht als auch in den anderen Eigenschaften. Um eine hohe Übertragungsbandbreite mit geringen Eingangs- und Ausgangsimpedanzen zu erreichen, ist es notwendig, die Streuinduktivität so gering wie möglich zu halten. Deshalb sind Ausgangsübertrager im allgemeinen "multifilar" gewickelt.
Dadurch erreicht man eine nahezu perfekte magnetische Kopplung zwischen den Windungen der Primär- und der Sekundärwicklung, muß allerdings eine höhere Windungskapazität in Kauf nehmen. Der daraus resultierende Kompromiß im hochfrequenten Isolationsverhalten ist aber akzeptabel, da die Signalpegel im allgemeinen verhältnismäßig hoch sind.
Bifilar, Trifilar und Quadfilar sind übliche Ausdrücke, um die Anzahl der parallel gewickelten Drähte zu beschreiben. Bei Aufwärts- oder Abwärtsübertragern müssen deshalb diverse parallel gewickelte Wicklungsteile in Reihe geschaltet werden, da all diese Wicklungen die gleiche Anzahl Windungen aufweisen. Quadfilar gewickelte Ausgangsübertrager sind heute üblich, da durch entsprechendes Zusammenschalten der einzelnen Wicklungsteile Übertragungsverhältnisse von 3:1, 2:1, 1:1, 1:2 oder 1:3 möglich sind.
Ein quadfilar gewickelter Ausgangsübertrager

- Bild 9. Typische l:l- Konfiguration mit unsymmetrischem Eingang und symmetrischem Ausgang. Die Polarität der in Reihe geschalteten Wicklungen ist unbedingt zu beachten. Zwischen Verstärkerausgang und Übertragereingang muß ein ungepolter Kondensator eingefügt werden, um Gleichströme durch die Primärwicklung zu verhindern.
Bild 9 zeigt eine typische l:l-Konfiguration für einen quadfilar gewickelten Ausgangsübertrager, der einen unsymmetrischen Verstärkerausgang mit geringer Impedanz an eine symmetrische Last oder Leitung anpaßt. In Bild 9 ist auch die empfohlene kapazitive Kopplung zwischen dem Verstärkerausgang und der Primärwicklung des Übertragers dargestellt. Fließt durch die Primärwicklung des Übertragers ein Gleichstrom, entsteht auch ein Gleichfeld, das die Aussteuerfähigkeit des Übertragers begrenzt und bei tiefen Frequenzen zusätzliche Verzerrungen hervorruft. Geringe Offset-Gleichspannungen an Verstärkerausgängen können deshalb Probleme bereiten, da der ohmsche Widerstand der Wicklungen gering ist.
.
Noch ein Beispiel

- Bild 10. Zwei Übertrager lösen das hier dargestellte heikle Anpassungsproblem, wobei die Störspannung U(stör) einige Volt betragen kann. T(1) ist ein Ausgangs-, T(2) ein Leitungs-Eingangsübertrager. Bemerkenswert: die empfohlenen Erdungspunkte der Abschirmungen. Der Wert für Rx hängt von der Leitungslänge und von den Kapazitäten ab; typisch sind 10 ... 47Ohm.
In Bild 10 wird gezeigt, wie mit einer Kombination von Ausgangs- und Eingangsübertrager ein schwieriges Anpassungsproblem gemeistert werden kann. In diesem Beispiel soll der Ausgang eines transportablen Misch- pults mit einem anderen System verbunden werden, das 300m entfernt ist. Die Netzstromversorgungen beider Systeme liegen an unterschiedlichen Phasen mit einem Gleichtaktstörsignal gegenüber Erde von etwa 10V. In diesem Fall ist es nahezu unmöglich, eine funktionsfähige Problemlösung ohne den Einsatz von Übertragern zu finden.
Andere Nf-Übertrager
Mikrofon-Brückenübertrager werden verwendet, um ein Mikrofon gleichzeitig auf verschiedene Eingänge zu schalten. Diese Übertrager weisen Übertragungsverhältnisse von 1:1, 1:1:1 oder 1:1:1:1 auf. Jede Wicklung ist von der anderen durch eine statische Abschirmung getrennt, um die Isolation zwischen den Wicklungen zu erhöhen. Hierbei muß streng darauf geachtet werden, daß die zur entsprechenden Wicklung gehörende Abschirmung auch an der entsprechenden Wicklungsseite geerdet wird.
Spezial-Übertrager
Spezielle Abwärtsübertrager, die im englischen Sprachgebrauch als "direct-box"- Übertrager bezeichnet werden, dienen zur Ankopplung von Musikinstrumenten und anderen Signalquellen mit hohem Pegel an Mikrofoneingänge. Die typischen Übertragungsverhältnisse sind 10:1 bei einer Spannungsminderung von 20dB. Man erreicht mit diesen Übertragern nicht nur eine korrekte Impedanzanpassung, sondern auch eine entsprechende Dämpfung der Signalpegel, um die Mikrofoneingänge nicht zu übersteuern. Lange Leitungen haben immer negative Einflüsse auf das hochfrequente Verhalten der Übertragungsstrecke, wenn sie an der Primärseite eines derartigen Übertragers - also an der Seite mit der hohen Impedanz - angeschlossen werden.
100V Leistungs-Übertrager
Sogenannte Leitungs-Anpaßübertrager werden verwendet, um räumlich weit auseinander stehende Lautsprecher mit einer konstanten Spannung aus einem zentral angebrachten Leistungsverstärker anzusteuern. Bei ELA-Anlagen beträgt die Nennspannung generell 100V. Durch diese Methode werden die Leitungsquerschnitte und die Leistungsverluste minimiert.
Dieses Verfahren ähnelt dem der elektrischen Energieübertragung. Leitungs-Anpaßübertrager weisen auf der Primärseite häufig Anzapfungen auf, da unterschiedliche Lautsprecher zumeist auch unterschiedliche Wirkungsgrade aufweisen. Die wichtigsten Parameter von Übertragern dieser Kategorie sind die übertragbare Leistung und der Frequenzbereich.
Vor und Nachteile (von 1987)
Übertrager bieten dem Entwickler von Audio-Anlagen die Vorteile der Isolation unterschiedlicher Signalquellen und eine ausgezeichnete Gleichtaktunterdrückung. Sie weisen nicht die Beschränkungen der Gleichtaktunterdrückung transformatorloser Schaltungen auf und sind häufig die einzig mögliche Lösung bei speziellen Anpassungsproblemen, bei hohen Störspannungen oder wenn eine möglichst große Entkopplung erreicht werden muß.
Der prinzipielle Nachteil der Übertrager sind die relativ hohen Kosten, ihre Abmessungen und ihr Gewicht. Die Begrenzung des übertragbaren Frequenzbereiches und die Verzerrungen bei niedrigen Frequenzen seien hier der Vollständigkeit halber nochmals erwähnt.
In einer Nf-Anlage kommt es allerdings eher auf die Unterdrückung von Brummen und Rauschen durch eine hohe Gleichtaktunterdrückung an als auf eine übertragbare Bandbreite bis 50kHz oder 1% Klirrfaktor bei 20Hz.
Übertrager- Verzerrungen

- Bild 11. Das Ersatzschaltbild zeigt den Einfluß des Verzerrungsstromes Iv, der durch die nichtlineare Magnetisierungs- kennlinie des Kernmaterials hervorgerufen wird. N entspricht dem Windungszahl- verhältnis. Der Strom Iv erzeugt an R(Quelle) und R(prim) sogar dann verzerrende Spannungen, wenn der Lastwiderstand Rl unendlich hoch ist.
Die von Übertragern hervorgerufenen Verzerrungen werden durch die nichtlineare magnetische Kennlinie (Hysterese) des magnetischen Kernmaterials hervorgerufen. In einer Modellvorstellung kann man diesen Umstand so veranschaulichen, als hätte man eine die Verzerrungen erzeugende Stromquelle der Wicklungsinduktivität parallel geschaltet, wie es in Bild 11 dargestellt ist. In Wirklichkeit ist die Induktivität nichtlinear.
Zur Anschauung ist es aber einfacher, eine Unterteilung in lineare und nichtlineare Effekte vorzunehmen. Die Verzerrungsströme teilen sich auf die Eingangs- und Ausgangsseite auf und erzeugen Verzerrungsspannungen an den unterschiedlichen Quell-, Last- und Windungsimpedanzen. Man beachte, daß die Verringerung der Quellimpedanz auch eine Verringerung der Verzerrungen bewirkt.
Die tieffrequenten Verzerrungen
Die richtige Auswahl des Kernmaterials hat einen enormen Einfluß auf die tieffrequenten Verzerrungen. Die Bilder 12 und 13 zeigen die Abhängigkeit der Verzerrungen eines Ausgangsübertragers vom Kernmaterial bei unterschiedlichen Übertragungs- leistungen und Übertragungsfrequenzen.
Das übliche siliziumhaltige Dynamoblech (M6) kann hohe Ausgangspegel verarbeiten, bevor es in die Sättigung fährt, erzeugt aber extreme Verzerrungen bei sehr geringen Signalpegeln. Eine Legierung mit 80% Nickelgehalt geht zwar etwa 8dB früher in die Sättigung als siliziumhaltiges Dynamoblech, zeigt aber nur sehr geringfügige Verzerrungen bei kleinen Signalpegeln.
Die in allen Fällen dominierende Verzerrungsart ist die 3. Harmonische der jeweiligen Signalfrequenz. Andere Materialien, wie beispielsweise Legierungen mit 40% Nickelanteil, kobaltlegierte Materialien und Ferrite weisen unterschiedliche Charakteristiken auf, finden aber in Nf-Anwendungen nur sehr begrenzte Einsatzbereiche.
Übertrager oder Halbleiter ? 1987er Prognose
Über viele Jahre hinweg wurden in der Nf-Technik zur Symmetrierung von Ein- und Ausgängen ausschließlich Übertrager eingesetzt. Der Übertrager bietet den Vorteil, daß das Ausgangssignal eines Geräts zum Eingang eines anderen Geräts völlig erdfrei übertragen werden kann und so das Risiko von Brummschleifen wesentlich reduziert wird. Das gilt speziell für den Bereich der Studiotechnik, in dem Übertrager als Standard angesehen werden.
.
Wo Licht ist, ist aber auch Schatten. So weisen die Übertrager auch eine Anzahl Nachteile auf. Will man ihre Abmessungen nicht zu groß halten, dürfen die zu übertragenen Spannungen nicht zu gering sein, da sonst insbesondere bei tiefen Frequenzen relativ starke Verzerrungen auftreten. Werden die Übertrager nicht sehr sorgfältig hergestellt, können auch unerwünschte Phasenverschiebungen vorkommen. Hochwertige Übertrager sind außerdem teuer - die Preise liegen in der Größenordnung 100,- bis 200,- DM pro Übertrager.
Sowohl zur Anpassung symmetrischer Ein- bzw. Ausgänge auf unsymmetrische Anschlüsse sowie zur Anpassung unsymmetrischer Ein- bzw. Ausgänge auf symmetrische sind Übertrager in sehr großen Stückzahlen im Einsatz. Sie werden jedoch nach und nach durch Halbleiterschaltungen ersetzt. Das gilt sowohl für Eingangs- wie auch für Ausgangsstufen.
Aktive symmetrische Eingangsschaltungen
Eine Möglichkeit, eine symmetrische Eingangs- schaltung in Halbleitertechnik zu realisieren, zeigt Bild 14. Der positive Eingang wird gepuffert und über einen Operationsverstärker invertiert. Dessen Ausgangssignal gelangt an einen zweiten invertierenden OpAmp, der das Signal zu dem vom negativen Eingang kommenden Signal addiert.
Da die Gleichtaktsignale am positiven und negativen Eingang mit gleicher Spannung und gleicher Phasenlage auftreten, werden sie durch die Differenzbildung der Eingangsschaltung unterdrückt. Beide Eingänge weisen die gleiche Impedanz auf und lassen sich wegen der hochohmigen Eingangswiderstände sehr leicht gegen Überlastung schützen.
Durch die Toleranzen der Widerstände beträgt die Gleichtaktunterdrückung ohne weiteren Abgleich allerdings nur 50dB. Bei sehr sorgfältigem Abgleich läßt sich mit dieser Schaltung etwa 80dB Gleichtaktunterdrückung erreichen. Durch die Alterung der Bauelemente nimmt die Gleichtaktunterdrückung allerdings mit der Zeit ab.
Die einfachste und preiswerteste aktive Eingangs- schaltung wird durch den Einsatz eines Differenz- verstärkers realisiert. Jeder gewöhnliche Operations- verstärker weist einen Differenzeingang auf und läßt sich dadurch unmittelbar an eine symmetrische Leitung anschließen, wie es in Bild 15 dargestellt ist.
Eine Erklärung zu dem Schaltbild:
Um die bestmögliche Gleichtaktunterdrückung zu erreichen, müssen die vier Widerstände den gleichen Wert aufweisen. Deshalb ist es üblich, für R3 eine Kombination aus Festwiderstand und Trimmpoti vorzusehen, damit sich die Gleichtaktunterdrückung für die tiefen Frequenzen optimieren läßt. Die beiden Kondensatoren müssen ebenfalls den gleichen Wert aufweisen. Zur Optimierung der Gleichtaktunterdrückung bei hohen Frequenzen wird C2 häufig als Trimmer ausgeführt, evtl. mit einem parallelgeschalteten Festkondensator, dessen Wert geringer als der von Cl sein muß.
Leider nicht für die Profis verwendbar
Bei sehr sorgfältigem Abgleich erreicht man eine Gleichtaktunterdrückung von bis zu 90dB über den gesamten Niederfrequenzbereich. Diese Schaltung kann durchaus ausgezeichnete Resultate erbringen, weist jedoch einige Nachteile auf, die ihren Einsatz in der professionellen Technik verbieten.
Die beiden Eingänge bieten nämlich unterschiedliche Eingangsimpedanzen, da R2 über den Minuseingang des Operationsverstärkers virtuell an Masse liegt, Rl hingegen durch die Parallelschaltung von R3 und der Eingangsimpedanz des Operationsverstärkers belastet wird. Ungleiche Eingangsimpedanzen müssen aber nicht unbedingt von ausschlaggebender Bedeutung sein. Das Resultat hängt davon ab, mit welcher symmetrischen Ausgangsschaltung diese Eingänge verbunden sind.
über das thermische Rauschen
Viel wichtiger ist der tatsächliche Wert der Eingangsimpedanz. Im Normalfall betragen die Eingangsimpedanzen für Leitungspegel 10 kOhm, oder auch etwas mehr, damit der Signalpegel nicht durch Belastungseffekte reduziert wird. Manchmal ist es auch wünschenswert, Eingangsimpedanzen von 50 kOhm oder mehr zur Verfügung zu haben. Wird der Wert der Widerstände wesentlich erhöht, um eine hohe Eingangsimpedanz von beispielsweise 33kOhm zu erzielen, muß man bereits das thermische Rauschen mit in Betracht ziehen.
Eine Bandbreite bis 20kHz
Unter Zugrundelegung einer Bandbreite von 20kHz, 33kQ-Widerständen und einer Umgebungstemperatur von 25°C beträgt die Rauschspannung -107,4 dBm, was nicht gerade als gut angesehen werden kann. Reduziert man die Werte der Widerstände um den Faktor 10, erhält man bereits eine Reduzierung der Rauschspannung um 10dB - eine stattliche Verbesserung.
Erweitert man die einfache Schaltung des Differenzverstärkers mit einem Paar Pufferverstärker, erhält man einen Differenzverstärker mit den Qualitäten eines Instrumentenverstärkers (Bild 16).
Zur Vereinfachung der Darstellung wurden die beiden Kondensatoren Cl und C2 weggelassen. Die Eingangsimpedanz ist wesentlich höher, und die Einflüsse der Quellimpedanzänderungen sind hier von untergeordneter Bedeutung. Zwar wird durch die beiden Pufferstufen zusätzliches Rauschen erzeugt, durch die Verkleinerung der Widerstandswerte ist jedoch eine Verbesserung des Eigenrauschens der Gesamtschaltung erreichbar.
Fügt man in die Zuleitung zu den Eingangsstufen zusätzliche Widerstände ein, arbeiten beide Eingangsstufen als Verstärker, wobei sich das Eigenrauschen der Schaltung nicht wesentlich erhöht. Durch die zusätzliche Verstärkung wird auch die Gleichtaktunterdrückung um den Wert der zusätzlichen Verstärkung verbessert. Die Verstärkung darf allerdings nicht zu hoch getrieben werden; sie wird durch die Höhe der Leitungspegel und den Clippingeinsatz der Operationsverstärker begrenzt.
Aktive symmetrische Ausgangsschaltungen
Ältere Geräte mit aktiven symmetrischen Ausgangsstufen verwenden im allgemeinen die in Bild 17 dargestellte Anordnung. Das Ausgangssignal wird über eine invertierende Pufferstufe dem Minus-Ausgang zugeführt, durchläuft aber gleichzeitig eine zweite Inverterstufe, die das zweite gegenphasige Signal erzeugt. Zwischen den Ausgängen der Operationsverstärker und dem eigentlichen Ausgang sind zwei Widerstände angeordnet, die jeweils der Hälfte der gewünschten Quellimpedanz entsprechen. Da der Lastwiderstand zwischen den Ausgängen zweier Operationsverstärker liegt, beträgt die maximale Ausgangsspannung ungefähr 20V, sie ist also doppelt so hoch wie an einem unsymmetrischen Ausgang. Diese Schaltung arbeitet recht ordentlich, solange die Belastung einigermaßen symmetrisch ist. Allerdings weist diese einfache Ausgangsstufe zwei gravierende Nachteile auf.
Ein Problem mit unsymmetrische Lasten
Das erste Problem taucht auf, wenn man mit dieser Schaltung unsymmetrische Lasten treiben will oder wenn einer der beiden Ausgänge unabsichtlich an Masse gelegt wurde. Liegt der negative Ausgang durch eine unsymmetrische Belastung an Masse, besteht die Gefahr, daß der erste Operationsverstärker durch Überlastung bei höherer Aussteuerung das Ausgangssignal verzerrt. Dadurch erscheint natürlich auch ein verzerrtes Signal am Ausgang des anderen Operationsverstärkers. Auch wenn die unsymmetrische Belastung am Ausgang des zweiten Operationsverstärkers liegt, treten Verzerrungen im Ausgangssignal durch die Verkopplung über die gemeinsame Masse oder über die Leiterbahnen der Printplatine auf. Geräte mit diesen Ausgangsschaltungen weisen häufig weitere Ausgangsbuchsen auf, die nur mit einem der beiden Verstärker zum Treiben unsymmetrischer Ausgänge verbunden sind.
Noch ein Problem mit der "Masse"
Das zweite Problem besteht darin, daß das Ausgangssignal nicht massefrei ist. Falls irgendeine Spannungsdifferenz (z.B. Netzleitungsbrummen) zwischen der ausgangsseitigen Masse und der Masse des eingespeisten Geräts besteht, wird dieses Störsignal zum Nutzsignal addiert. Die einzige Möglichkeit zur Unterdrückung der Störsignale ist dann durch eine möglichst hohe Gleichtaktunterdrückung der Eingangsstufe des gespeisten Geräts gegeben.
Massefrei mit 2 Operationsverstärkern
Einige Hersteller bieten auch Geräte mit elektronisch symmetrierten Ausgängen an, die auch massefrei sind. Die Grundlage einer derartigen Ausgangsschaltung zeigt Bild 18. Die Schaltung besteht aus zwei Operationsverstärkern, die kreuzartig mit- und gegengekoppelt sind. Das Ausgangssignal eines jeden Verstärkers hängt sowohl vom Eingangssignal als auch vom Ausgangssignal des anderen Verstärkers ab. Durch entsprechende Bemessung der Widerstände können diese Stufen auch eine zusätzliche Verstärkung oder Abschwächung bewirken.
Genauso läßt sich durch entsprechende Bemessung der Widerstandswerte die Ausgangsimpedanz einstellen. Allerdings wird ein gewisser Widerstand vom Ausgang nach Masse benötigt, um zu verhindern, daß die Ausgangsspannung auf eine der beiden Betriebsspannungen hochläuft, wenn ein massefreier Eingang angeschlossen ist.
Durch die zusätzlichen Widerstände zwischen den Ausgängen und Masse bleibt die Ausgangsimpedanz vom Ausgang nach Masse bei jeglicher Wechselspannungskopplung der Ausgänge endlich. Dadurch wird zwar die Einkopplung von Stör- und Rauschspannungen durch Erdschleifen reduziert, aber nicht vollständig eliminiert.
Ist diese Schaltung nicht sehr sorgfältig kompensiert, können Stabilitätsprobleme auftreten. Liefert die Ausgangsstufe eine zweifache Verstärkung, beträgt die maximale Ausgangsspannung an einer symmetrischen Last ungefähr 20V (wenn die Operationsverstärker von Standard- stromversorgungen gespeist werden, z.B. ±15V). Wird diese Schaltung jedoch unsymmetrisch belastet, verringert sich der Ausgangsspannungshub bis zum Begrenzungseinsatz auf die Hälfte.
Beträgt die Durchgangsverstärkung der Ausgangsstufe nur 1, tritt zwar keine Begrenzung auf, aber die Ausgangsspannung ist nur noch halb so hoch. Abgesehen von diesem geringfügigen Problem arbeitet diese Schaltung sehr gut und bietet gegenüber einem Übertrager eine wesentlich höhere Bandbreite bei erheblich geringeren Kosten.
Praktische Anwendungen -
hier eine Schaltung und die zugehörige Berechnung
Eine praktisch ausgeführte Eingangs- stufe, die nach dem in Bild 16 beschriebenem Prinzip arbeitet, zeigt Bild 19. In dieser Schaltung ist die Eingangsimpedanz auf fast jeden gewünschten Wert einstellbar, und vor allem ist die Eingangsimpedanz beider Eingänge gleich.
Durch diese Konfiguration können auch die Widerstandswerte klein gehalten werden, so daß das thermische Rauschen gering bleibt. Ein weiterer Vorteil dieser Schaltung besteht darin, daß die Durchgangsverstärkung der gesamten Stufe durch Änderung eines einzigen Widerstands - nämlich R7 - variiert werden kann. Die Verstärkung in dB errechnet sich zu "20-log(((R8 + R9)/R7)+l)".
Durch Umstellen dieser Gleichung nach R7 läßt sich für eine vorgegebene gewünschte Verstärkung der Wert von R7 berechnen. Diese Eingangsstufe ist ideal für Leitungseingänge und eignet sich für den Verstärkungsbereich 0 ... 30dB. Das Eigenrauschen und die Verzerrungen sind sehr gering (typischer Klirrfaktor im gesamten Nf-Bereich: 0,002%).
Optimierte Gleichtaktunterdrückung
Weiterhin bietet diese Schaltung eine ausgezeichnete Gleichtaktunterdrückung (Bild 20). Durch Abgleich von RV1 und CV1 läßt sich die Gleichtaktunterdrückung optimieren. Der Abgleich geschieht bei zwei Frequenzen: Bei einem 100Hz-Eingangssignal verstellt man RV1, bis die Ausgangsspannung der Schaltung ein Minimum erreicht. Mit einem 15kHz-Eingangssignal wird mit CV1 auf minimale Ausgangsspannung abgeglichen.
Hervorragende Frequenzgänge möglich
Die Stufe arbeitet sehr gut als symmetrische Eingangsstufe für Vor- und Leistungsverstärker, Mischpulte usw. Sie eignet sich weiterhin als universelle Eingangsstufe für hochqualitative Test- und Prüfgeräte. So findet man sie in Nf-Voltmetern, Verzerrungs- und Klirrfaktormeßgeräten und vielen anderen Geräten, da diese Eingangsstufe eine sehr stabile und eindeutig definierte Verstärkung und eine hohe Bandbreite mit flachem Frequenzgang aufweist.
.
Mit den in Bild 19 angegebenen Bauteilewerten liegen die -3dB Punkte des Frequenzgangs bei ungefähr 0,5Hz bzw. 150kHz. Der Phasenfehler ist bei 20Hz kleiner als 2° und erreicht bei 20kHz etwa 7°.
universell anpaßbar
Mit einigen Schaltungsänderungen läßt sich diese Eingangsschaltung auf jede gewünschte Anwendung optimieren. Ersetzt man Cl und C2 durch nichtpolarisierte Elkos mit einer Kapazität von 10 ... 22uF (parallel zu diesen Elkos jeweils eine 100nF-Keramikscheibe), läßt sich das Eigenrauschen reduzieren. Auch gewinnt man bei tiefen Frequenzen einige dB mehr an Gleichtaktunterdrückung. Außerdem wird der Phasenfehler bei 20Hz noch weiter reduziert.
Soll die Stufe als Vorverstärker in Prüfgeräten eingesetzt werden, sollten C3 und C4 auf 47pF verringert werden, um den Frequenzgang bis 100kHz flach zu halten. Zur Verstärkungsvariation eignet sich ein Umschalter mit mehreren Festwiderständen bzw. eine Reihenschaltung aus Festwiderstand und Potentiometer (Bild 21a und b). Durch die Wechselspannungskopplung im Eingang werden Schaltknacken oder störende Kratzgeräusche von Potentiometerschleifern vermieden, die unweigerlich auftreten, wenn Gleichspannungsreste auf den Eingangsleitungen stehen sollten.
Beispiel für einen hochwertigen Mikrofonverstärker
Viel mehr gibt es zu symmetrischen aktiven Eingangsschaltungen für Leitungspegel nicht zu sagen. Um einiges problematischer gestaltet sich allerdings die Realisierung einer Aktiv-Schaltung, die Eingangssignale im Milli- oder Mikrovolt- Bereich verarbeiten soll. Für einen hochwertigen Mikrofonverstärker kann man die Schaltung aus Bild 19 mit einigen Änderungen übernehmen.
Das größte Problem bei Mikrofonverstärkern ist das Eigenrauschen, das bei dieser Vorstufe so gering wie möglich zu halten ist. Das thermische Rauschen eines 200 Ohm Widerstands liegt bei -129,6 dBm, so daß ein perfekter rauschfreier Mikrofonverstärker bei einer Stufenverstärkung von 60dB und einer Eingangsimpedanz von 200 Ohm eine Ausgangsspannung von -69,6 dBm bei 20kHz Bandbreite liefern würde.
Bringt ein realer Verstärker nun eine Ausgangsspannung von -67 dBm, kann man sagen, daß seine Rauschzahl 2,6 dB beträgt.
Einige Hersteller geben Rauschzahlen von 1dB an, aber 1,5dB ist sicher realistischer. Die in Bild 22 dargestellte Schaltung erreicht diese niedrigen Rauschzahlen, allerdings muß man einige Sorgfalt bei der Auswahl der Bauteile und beim Aufbau dieser Stufe beachten.
.
Die Eingangsimpedanz wird durch Widerstand R4 fest auf 1,2kQ eingestellt. Das ist der heute übliche Wert bei Mikrofonen mit 200 Ohm Impedanz. Falls ein Mikrofonhersteller einen anderen Wert für die Eingangsimpedanz des Vorverstärkers vorschreibt, läßt sich dieser natürlich auch ändern.
Über Rl und R2 wird eine Spannung in Höhe von 48V für die Phantomspeisung von Kondensatormikrofonen eingespeist. Diese beiden Widerstände sind sehr kritisch. Ihre Toleranz darf maximal 1% betragen. Soll diese Schaltung nur für dynamische Mikrofone eingesetzt werden, sind Rl ... R3 und Cl überflüssig. Auch C2 und C3 können entfallen. Man erreicht dadurch einen etwas besseren Signal- Rausch- Abstand und eine Verbesserung der Tonqualität, weil die Verluste der Elektrolytkondensatoren im Eingangssignalpfad entfallen.
Da die Gleichtaktunterdrückung von einem Schaltungsteil bestimmt wird, der der verstärkungsbestimmenden Stufe folgt, ändert sich die Unterdrückung mit der Verstärkung.
Es ist leicht einzusehen, daß bei einer Verstärkung von beispielsweise 10dB eine bessere Gleichtaktunterdrückung zu erreichen ist als bei 60dB. Darum bietet es sich an, den Abgleich der Gleichtaktunterdrückung bei 30 ... 40dB Verstärkung vorzunehmen. Mit einem sorgfältig ausgelegten Platinenlayout arbeitet diese Schaltung ebenfalls sehr zufriedenstellend und teilweise erheblich besser als heute auf dem Markt erhältliche professionelle Mikrofonverstärker.
Symmetrischer Entzerrer-Vorverstärker
Die Schaltung eines Entzerrer-Vorverstärkers für magnetische Tonabnehmersysteme, auch für Moving-Coil-Systeme, ist in Bild 23 wiedergegeben. Die Komponenten wurden allerdings für die RIAA-Entzerrungskurve dimensioniert, die jedoch der DIN-Entzerrungskurve ähnlich ist.
Symmetrische Mischer
Die Summenschienen von Mischverstärkern sind besonders empfindlich gegen Brummen und Rauschen. Dieses Problem läßt sich jedoch ebenfalls durch eine symmetrische Anordnung reduzieren.
Grundsätzlich sind zwei unterschiedliche Konfigurationen möglich: Eingangsverstärker mit entweder symmetrischem oder unsymmetrischem Ausgang (Bild 24a und b). In beiden Fällen gelangt das Signal an einen Differenzverstärkereingang; jegliche Störspannung erscheint an den Eingängen des Mischverstärkers mit gleicher Phasenlage und mit gleicher Spannung und wird durch die Eigenschaften des Differenzverstärkers auf die bekannte Weise unterdrückt.
Bild 25 zeigt einen derartigen Eingangsverstärker. Hier wird der Eingangsteil der Schaltung nach Bild 19 verwendet, mit dem Unterschied jedoch, daß die Eingangssignale in die invertierenden Eingänge der Operationsverstärker eingespeist werden. Die Verwendung von 3,3kQ Widerständen für die Gegen- kopplung und für die Mischeingänge hält das Rauschen niedrig und verbessert die Linearität, weil die Eingangs- kondensatoren innerhalb der Gegenkopplungsschleife liegen. Mit dieser Schaltung werden Gleichtaktsignale um immerhin 60 ... 80dB unterdrückt.
Symmetrische Ausgänge
Mikrofone und Tonabnehmersysteme sind systembedingt zumeist symmetrisch gestaltet, Verstärker hingegen nicht. Die einfachste Problemlösung besteht darin, einen Übertrager an den Ausgang eines unsymmetrischen Verstärkers zu klemmen. Aber mit einer Handvoll Transistoren oder IC-Chips kann man eine Symmetrierung auf elegantere Art und Weise erreichen.
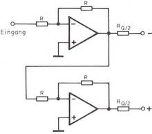
Falls der symmetrische Ausgang lediglich aus zwei gegenphasigen Ausgängen bestehen soll, gibt es mehrere Möglichkeiten der Realisierung (Bild 26). Sie alle haben aber ein Manko: Wenn einer der Ausgänge nach Masse kurzgeschlossen wird, bricht die Ausgangsspannung auf die Hälfte zusammen, weil der zur Verfügung stehende Ausgangsspannungshub halbiert wird.
Da grundsätzlich jede Verbindung zwischen zwei Audiogeräten Symmetrien werden kann, bleibt abschließend zu klären, in welchen Bereichen der Einsatz symmetrischer Ein- bzw. Ausgänge sinnvoll ist.
Für Mikrofone sollte man grundsätzlich symmetrische Eingänge verwenden. Genauso wichtig ist es, die Eingangsverstärker für Tonabnehmersysteme und Leseköpfe von Tonbandgeräten oder Kassettenrekordern zu symmetrieren. Die Verbindungen zwischen Vor- und Leistungsverstärkern werden durch die Symmetrierung weniger störanfällig, insbesondere dann, wenn die Gefahr von Brummschleifen besteht.
Diese Auführungen über die analogen Techniken der Leitungs-Symmetrierung stammen aus 1980 - 1987
Das war damals der Stand der Dinge, während die Welt aus einer ganz anderen Richtung total im Umbruch war. Die Digitalisierung der gesamten professionellen Audio- und Videotechnik auch im privaten Bereich setzte ein, erst langsam, dann immer schneller.
Beachten Sie, daß in 1985 die CD gerade mal 5 Jahre war und der IBM PC gerade erst 3 Jahre alt war.
.
.
















































